Dusk till 11pm timer

I was just going by the first post mentioning "DRIVE" maybe wrongly assuming a large amount hence large load.
Too much pub and supermarket work im afraid john, usually stupid loads/ faults welding the timer contacts closed
 
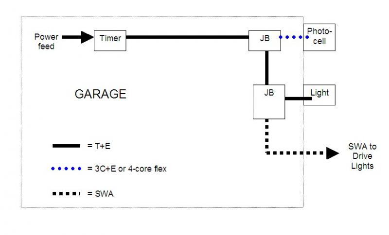
I still don't really understand why you would need an 'outside junction box'. The wires from the photocell-switch and the light on the garage can go straight through the garage wall into the inside of the garage and then be run to the vicinity of time switch, and all the 'joining' can be done there (with a JB if necessary) ... or am I missing something?

Kind Regards, John

What I need to do is for it to go supply>timer>dusk till dawn thing>t junction to one light on the front of the garage and four lights down the drive. Because of the arrangement of the house and lights there's only one sensible place to put the dusk till dawn sensor so it doesn't switch off due to headlights or house lights. I'd rather it went dusk till dawn>garage light>drive lights, but that would need quite a lot of extra cable and would be difficult with SWA. The garage light needs to have the wire poked through from behind and will be screwed onto a wooden bit of the garage, so this would be easiest with regular twin and earth.

Depending on the make of dusk till dawn I might be able to use it as the T junction and poke the supply cable and cable to the garage light through the back, and have the drive lights coming out the bottom with SWA. Thatd do me.
 
I was just going by the first post mentioning "DRIVE" maybe wrongly assuming a large amount hence large load. Too much pub and supermarket work im afraid john, usually stupid loads/ faults welding the timer contacts closed
You could, of course, be right - I was thinking 'standard domestic drive' and, as a consequence, probably a trivial lighting load!

Kind Regards, John
 
Do all the connections in an inside box, take a 4 core to the photocell located whereever and 3 plate" within said box
 
What I need to do is for it to go supply>timer>dusk till dawn thing>t junction to one light on the front of the garage and four lights down the drive. Because of the arrangement of the house and lights there's only one sensible place to put the dusk till dawn sensor so it doesn't switch off due to headlights or house lights. I'd rather it went dusk till dawn>garage light>drive lights, but that would need quite a lot of extra cable and would be difficult with SWA. The garage light needs to have the wire poked through from behind and will be screwed onto a wooden bit of the garage, so this would be easiest with regular twin and earth. ... Depending on the make of dusk till dawn I might be able to use it as the T junction and poke the supply cable and cable to the garage light through the back, and have the drive lights coming out the bottom with SWA. Thatd do me.
I obviously don't fully understand the anatomy/geography of your setup - but, conceptually, what I was thinking of was something like (with all joins/JBs within garage):
... and you could probably combine the two JBs into just one.

Kind Regards, John
Edit: Picture edited to show correct cable type to photocell
 
I was just going by the first post mentioning "DRIVE" maybe wrongly assuming a large amount hence large load. Too much pub and supermarket work im afraid john, usually stupid loads/ faults welding the timer contacts closed
You could, of course, be right - I was thinking 'standard domestic drive' and, as a consequence, probably a trivial lighting load!

Kind Regards, John

Yes it's a standard domestic drive. 7 bulbs, and I'm using LEDs so it'll only be about 49W or something.

I'll try and draw a picture later and upload it. But I like the idea of 333rocky333 of using four core and an inside junction box, that makes sense.

I think I'm confusing myself as the first dusk till dawn timer I saw looked like it just had entry's for two SWA at the bottom. One I can drill into from the back would be much better.
 
But I like the idea of 333rocky333 of using four core and an inside junction box, that makes sense.
You've just made me notice! In the diagram I posted, it looks as if the cable from the Photocell to the upper' JB is T+E. It would, of course, have to be 3-core and earth (or, more probably, 4-core flex). I have edited the diagram appropriately!
I think I'm confusing myself as the first dusk till dawn timer I saw looked like it just had entry's for two SWA at the bottom. One I can drill into from the back would be much better.
In terms of the sort of photocells I'm talking about (e.g. the one I pictured) I don't think I've ever seen a one in which one could terminate SWA (even one, let alone two).

Kind Regards, John
 
Okay, so this is how i think it'll end up looking. It should be fine i think.
View media item 84768
The three or four and earth depends on whether the photocell switches just the live, or live and neutral.
 
Okay, so this is how i think it'll end up looking. It should be fine i think.
Yep, that looks like a slightly re-arranged version of my diagram, so it must be OK :-)
The three or four and earth depends on whether the photocell switches just the live, or live and neutral.
I doubt that you'll find one which switches neutral - so you'll probably need either 'flat' 3C+E or 4-core flex.

You show the timer being fed from the CU. Is this to be a 'new circuit' (rather than a feed from an existing circuit)? If so, there may be a new can of worms here, because that would make it 'notifiable' work!

Kind Regards, John
 
Yes it is a new circuit. But I having the garage rewired at the same time, and a new consumer unit in the house and putting in a circuit to power electric gates, so it's all notify able. I'm getting a sparky to do the new CUs so he'll check my design, do the final hook up and certify it.
 
Yes it is a new circuit. But I having the garage rewired at the same time, and a new consumer unit in the house and putting in a circuit to power electric gates, so it's all notify able. I'm getting a sparky to do the new CUs so he'll check my design, do the final hook up and certify it.
OK, but let me tell you before someone else does (perhaps using a 'style' a little different from mine!) - it's not really meant to work like that. If you haven't already, you need to get the electrician on board now, to make sure he is agreeable to what you say above, since he will have to sign a declaration that he has undertaken the design and 'construction' (and testing) of all the work.

Kind Regards, John
 
In terms of the sort of photocells I'm talking about (e.g. the one I pictured) I don't think I've ever seen a one in which one could terminate SWA (even one, let alone two).

Kind Regards, John

They have a 20mm hole in the bottom, im sure someone somewhere has terminated an swa into it.
I sometimes mount them on a 4x4 galv box then flex into the unit with a stuffing gland
 
In terms of the sort of photocells I'm talking about (e.g. the one I pictured) I don't think I've ever seen a one in which one could terminate SWA (even one, let alone two).
MK-Electric-56748.jpg

They do a non-timer model, but I couldn't find a good photo.
 

If you need to find a tradesperson to get your job done, please try our local search below, or if you are doing it yourself you can find suppliers local to you.

Select the supplier or trade you require, enter your location to begin your search.


Are you a trade or supplier? You can create your listing free at DIYnot Local

 
Back
Top