- Joined
- 31 May 2021
- Messages
- 37
- Reaction score
- 0
- Country

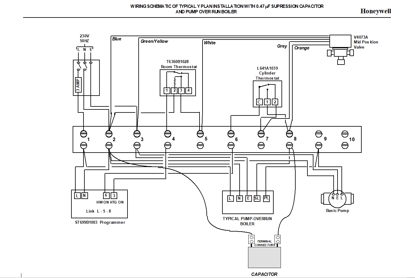
Hi all my heating comes on with hot water.
I replaced the 3 port (whole unit) valve 5 weeks ago anf everything worked fine. A week later my pump went and boiler was over heating.
So I replaced the pump, all working fine.
Today the heating comes on with water again. However no light comes on the programmer for heating.
What's causing the heating to come on with water? Can it possibly be the valve playing up again or is this a pcb issue?
Cheers in advance.
I replaced the 3 port (whole unit) valve 5 weeks ago anf everything worked fine. A week later my pump went and boiler was over heating.
So I replaced the pump, all working fine.
Today the heating comes on with water again. However no light comes on the programmer for heating.
What's causing the heating to come on with water? Can it possibly be the valve playing up again or is this a pcb issue?
Cheers in advance.