Heating System
Have 2 houses where identical Heating systems installed (self & neighbour)
In Dec both Baxi boilers were replaced with Viessmann Vittodens 30W due to ageing reliability issue.
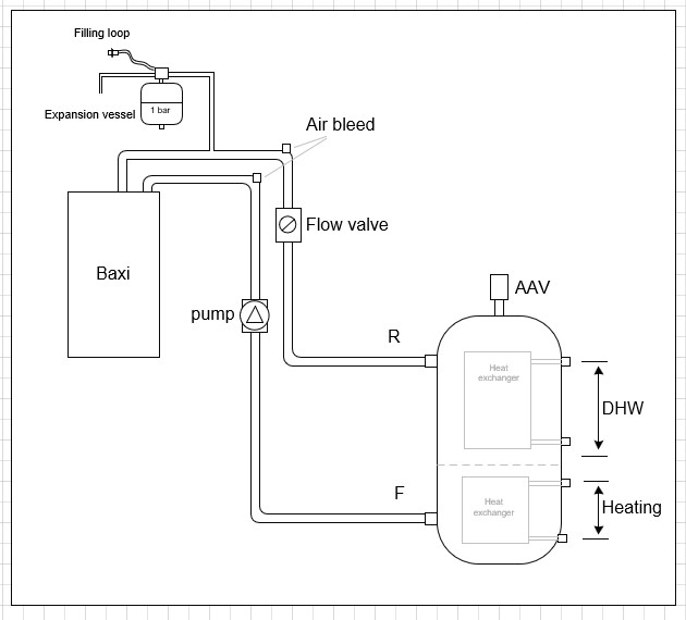
System is as per drawing

Hot Water Draw off
Thermal Store operates by the process that as DHW is drawn off (via heat exchanger) the flow switch detects the water flow, and it opens the 2 port valve AND operates the primaries pump, but does NOT provide a call for heat signal. The whole contents of store circulate around the boiler.
The purpose of this run, is to ‘stir’ the water in the store to keep hot water passing over the Heat exchanger and maintain hot DHW draw-off.
Once the thermal store temp drops, the store thermostat closes and ‘Call for Heat’ signal is provided to the boiler.
The Issue
What is happening on both installs is that when DHW is drawn off, the heat exchanger starts cooling and after about 2 mins the water temperature starts dropping. Preventing the filling of a bath for example with hot water.
The cause is the boiler not firing to reheat the store.
Temperatures have been checked with digital laser thermometers…. and it shows that although the boiler is set to 70C (5 degrees higher than the Thermal store thermostat), the primaries are sitting at around 42C
It is proven water is flowing around the primaries … 2 port valve is open and the pump is running, and that ‘Call for Heat’ is at 220V.
The crucial thing ‘seems to be’ once the boiler has reached the 70C on a burn, it modulates right down, and will not modulate up to run until primaries drop to around 27C .. and that is way too low to top up the Thermal Store.
The hysteresis of more than 40C (set temp to restart temp) is far too much, needs to be around 10C
It can take more than 2 Hrs for primaries to cool to 27C and restart a burn.
The Thermal store is not reaching the designed temperature (digital measurement shows the top of store is at 48C … (should be over 60)
Consequently, the Thermal store is not getting up to temperature and is not being reheated as it should.
This was never an issue with previous Baxi 100HE boilers and those were also modulating boilers, the Viessman may be too clever.
Does anybody have suggestions to resolve this, hoping there is a configuration on the Viessmann?
Have 2 houses where identical Heating systems installed (self & neighbour)
In Dec both Baxi boilers were replaced with Viessmann Vittodens 30W due to ageing reliability issue.
System is as per drawing

Hot Water Draw off
Thermal Store operates by the process that as DHW is drawn off (via heat exchanger) the flow switch detects the water flow, and it opens the 2 port valve AND operates the primaries pump, but does NOT provide a call for heat signal. The whole contents of store circulate around the boiler.
The purpose of this run, is to ‘stir’ the water in the store to keep hot water passing over the Heat exchanger and maintain hot DHW draw-off.
Once the thermal store temp drops, the store thermostat closes and ‘Call for Heat’ signal is provided to the boiler.
The Issue
What is happening on both installs is that when DHW is drawn off, the heat exchanger starts cooling and after about 2 mins the water temperature starts dropping. Preventing the filling of a bath for example with hot water.
The cause is the boiler not firing to reheat the store.
Temperatures have been checked with digital laser thermometers…. and it shows that although the boiler is set to 70C (5 degrees higher than the Thermal store thermostat), the primaries are sitting at around 42C
It is proven water is flowing around the primaries … 2 port valve is open and the pump is running, and that ‘Call for Heat’ is at 220V.
The crucial thing ‘seems to be’ once the boiler has reached the 70C on a burn, it modulates right down, and will not modulate up to run until primaries drop to around 27C .. and that is way too low to top up the Thermal Store.
The hysteresis of more than 40C (set temp to restart temp) is far too much, needs to be around 10C
It can take more than 2 Hrs for primaries to cool to 27C and restart a burn.
The Thermal store is not reaching the designed temperature (digital measurement shows the top of store is at 48C … (should be over 60)
Consequently, the Thermal store is not getting up to temperature and is not being reheated as it should.
This was never an issue with previous Baxi 100HE boilers and those were also modulating boilers, the Viessman may be too clever.
Does anybody have suggestions to resolve this, hoping there is a configuration on the Viessmann?
