Hi,
I've a Honeywell 6360B attached to a Heatline Combi - I've manuals for both but am struggling.
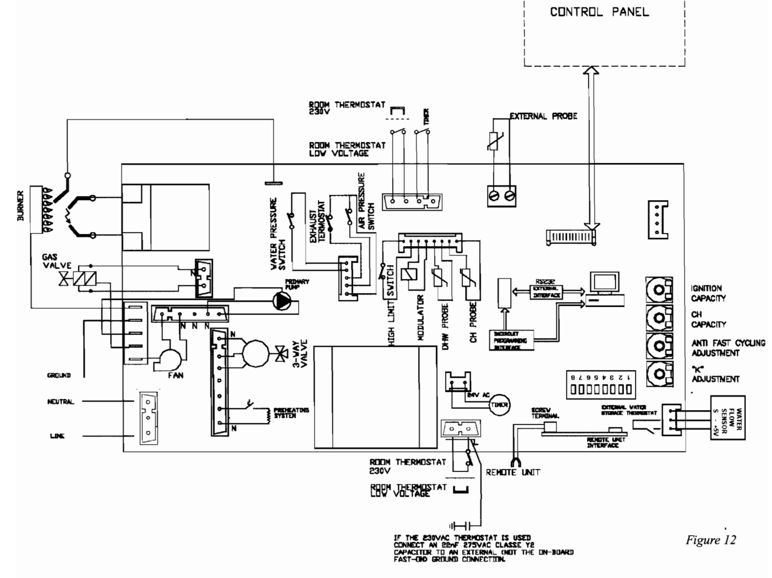
The Heatline is set to use low voltage for thermostat (the 230v thermo connector is jumped) and I can see the two 'switch wires' exiting from the 24v thermo connector but lose sight of them as they disappear behind tiling with the mains supply (there's an isolation switch as few feet away). Across the house at the Honeywell there's a four core cable live/neutral/yellow/bare earth - which is wired to terminals 1/2/3 & earth.
Everything works fine, I just want to add a more modern thermostat (L/N & low volt switch) - but I'm struggling to understand how it's working now since my reading from the Honeywell circuit is the yellow cable is a switched neutral @ 230v. Is it possible there's more going on somewhere - extra resistance or something.
Thanks.
I've a Honeywell 6360B attached to a Heatline Combi - I've manuals for both but am struggling.
The Heatline is set to use low voltage for thermostat (the 230v thermo connector is jumped) and I can see the two 'switch wires' exiting from the 24v thermo connector but lose sight of them as they disappear behind tiling with the mains supply (there's an isolation switch as few feet away). Across the house at the Honeywell there's a four core cable live/neutral/yellow/bare earth - which is wired to terminals 1/2/3 & earth.
Everything works fine, I just want to add a more modern thermostat (L/N & low volt switch) - but I'm struggling to understand how it's working now since my reading from the Honeywell circuit is the yellow cable is a switched neutral @ 230v. Is it possible there's more going on somewhere - extra resistance or something.
Thanks.
