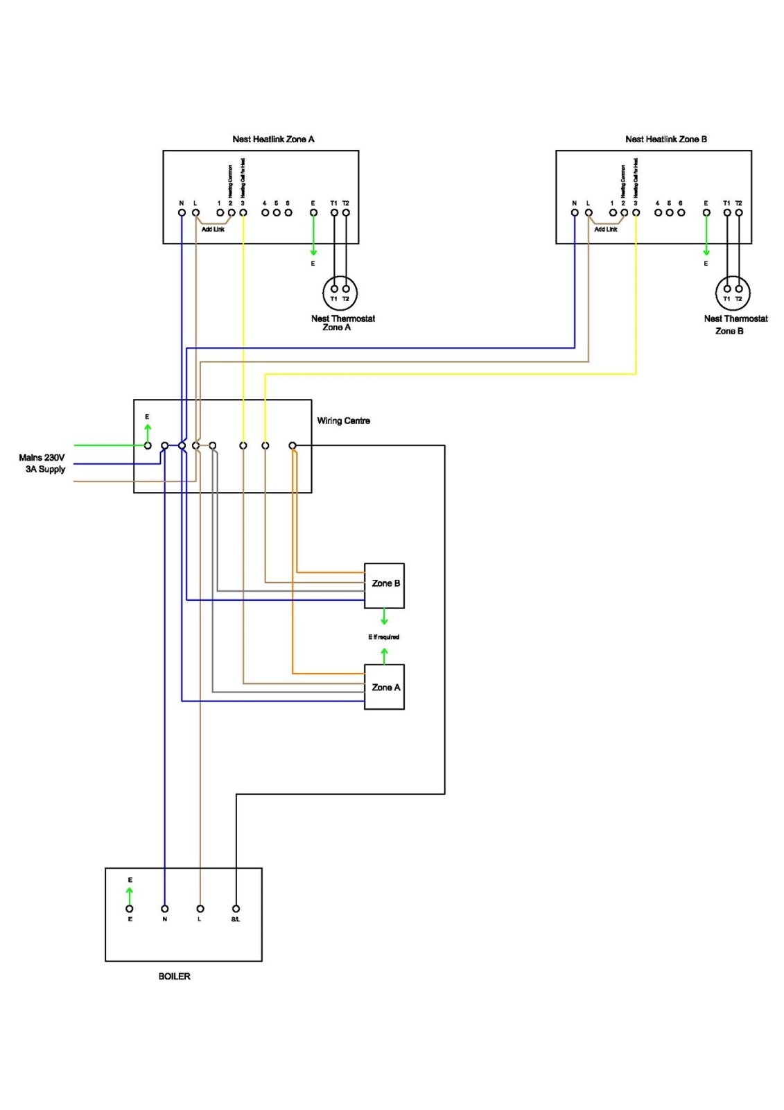
should a link from the brown permanent live at terminal 3 to the two grey wires at terminals 4 and 5?
Eh?? you said you were using wiring terminals 4 and 5 for the 2 x Heat links 'heating call for heat'
Don't see any grey wires at terminals 4 & 5, they appear to be the brown wires to the motorised valves which looks correct as they should be connected to the 'heating call for heat' at their respective Heat link.
Anyway, it doesn't matter what number terminals you personally choose to use. However, The grey wires from both motorised valves need to be connected to a permanent live. Please don't ask this question again, I've told you several times already.
I like to think the best of people but I'm starting to think you are winding me up.
