Hello all,
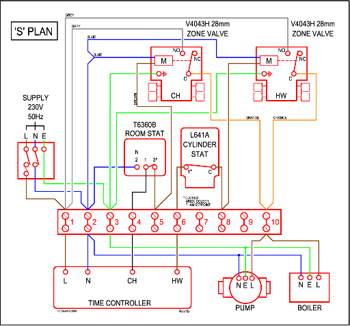
I have an Ideal Logic Max system boiler with an S Plan Plus setup. Recently, the boiler has started acting a bit strange.
When the programmer is scheduled to turn off the boiler it stops firing as expected. But instead of going into standby mode with pump overrun for 10 mins or so ( this is shown as “00” on the display) the pump continues to run indefinitely and the display shows the current boiler temperature.
Checking the boiler user manual it states.
“The boiler has a call for central heating but the appliance has reached the desired temperature set on the boiler.”.
The thing is, this is an intermittent issue. It occurs maybe 50% of the time. During the issue I can see that the programmer has turned off the heating so there’s no call to the stats and I can also hear the motorized values closing. I’ve obviously turned down the stats fully but still have the same issue.
If I turn on the heating again the boiler goes from the above state to firing again as normal.
To rectify issue I have to turn off the boiler using the on/off switch on the boiler itself. I leave it for a few hours then turn it on again. It automatically goes into standby mode.
Just to note, I recently replaced the programmer but still seeing the same issue.
Any ideas would be greatly appreciated.
Thanks,
D
I have an Ideal Logic Max system boiler with an S Plan Plus setup. Recently, the boiler has started acting a bit strange.
When the programmer is scheduled to turn off the boiler it stops firing as expected. But instead of going into standby mode with pump overrun for 10 mins or so ( this is shown as “00” on the display) the pump continues to run indefinitely and the display shows the current boiler temperature.
Checking the boiler user manual it states.
“The boiler has a call for central heating but the appliance has reached the desired temperature set on the boiler.”.
The thing is, this is an intermittent issue. It occurs maybe 50% of the time. During the issue I can see that the programmer has turned off the heating so there’s no call to the stats and I can also hear the motorized values closing. I’ve obviously turned down the stats fully but still have the same issue.
If I turn on the heating again the boiler goes from the above state to firing again as normal.
To rectify issue I have to turn off the boiler using the on/off switch on the boiler itself. I leave it for a few hours then turn it on again. It automatically goes into standby mode.
Just to note, I recently replaced the programmer but still seeing the same issue.
Any ideas would be greatly appreciated.
Thanks,
D
