Hi all.
I have an enclosure with an IEC connector currently wired to a small mains power supply. However, i need to wire in 2 more mains PSU's. I was going to use a distribution/choc box where each of the terminals are linked with wire.
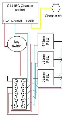
The question is, does the attached diagram look ok for all 3?
Kind regards
Adrian
I have an enclosure with an IEC connector currently wired to a small mains power supply. However, i need to wire in 2 more mains PSU's. I was going to use a distribution/choc box where each of the terminals are linked with wire.
The question is, does the attached diagram look ok for all 3?
Kind regards
Adrian
