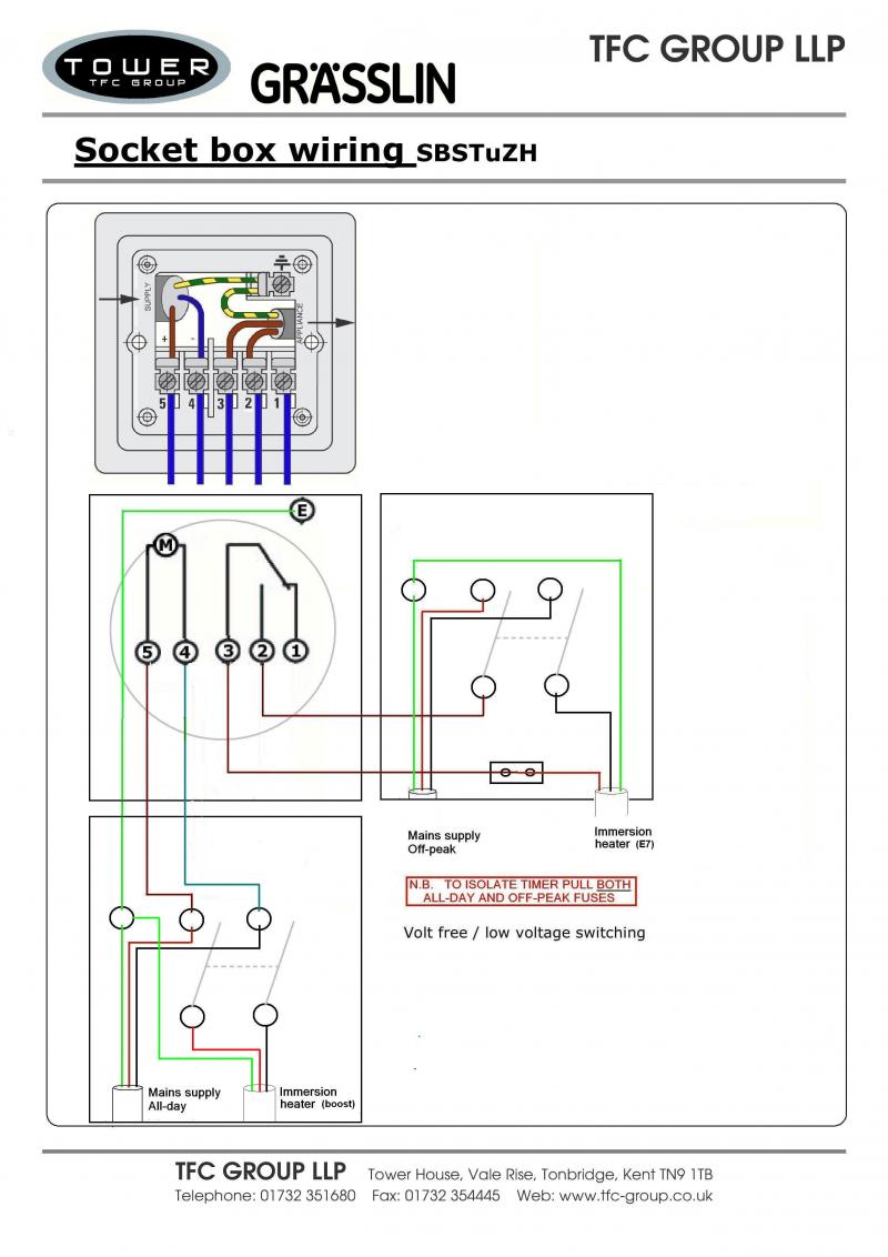
Hi,I have immersion heater on economy 7,and i what to fit a timer so it only heats up for a couple of hours each day on cheap rate as we do not use a lot of hot water.at the moment i have a boost button and a fused switch for the economy 7 both wired separately, it is 2 element cylinder top boost and bottom element economy 7, i know i can not use the economy 7 feed because its not live all the time only at cheap rate.so my question is can i use the live feed from the boost button switch for the timer is there any things need to extra,or is it just a matter of connecting the wires up from the boost switch.
regards Tom
regards Tom
