Good Afternoon all,
I'm in the process of setting up a 9752 panel, all contacts/pir's/keypads/expanders etc wired up, but stuck on the bell boxes and internal sounders i got.
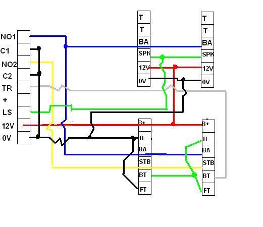
I'm looking to install two pyronix belle's as per the diagram provided in the installation manual - one set to SAB, one set to SCB,
Bell trigger sent to both, as is the strobe trigger,
TF from one feeds into the BT of the next, otherwise wiring as it would be for single bellbox.
Problem is that neither the belle or twin alert's connection details for scantronic matches up with the available connectors on the panel itself, and the scantronic manual doesn't give an example for any pyronix... (use to be there for the 9448 when i last installed one of them!)
not sure if i should post the connection details on the forum, is someone able to provide me with the connections as i need them? (either by email or private message?)
Also can i connect the tampers of both twin alerts in between the belle's? or is there somewhere else for me to connect the tamper on the panel? (cant see anywhere and cant find any mention of any other tamper in the manual).
I'm in the process of setting up a 9752 panel, all contacts/pir's/keypads/expanders etc wired up, but stuck on the bell boxes and internal sounders i got.
I'm looking to install two pyronix belle's as per the diagram provided in the installation manual - one set to SAB, one set to SCB,
Bell trigger sent to both, as is the strobe trigger,
TF from one feeds into the BT of the next, otherwise wiring as it would be for single bellbox.
Problem is that neither the belle or twin alert's connection details for scantronic matches up with the available connectors on the panel itself, and the scantronic manual doesn't give an example for any pyronix... (use to be there for the 9448 when i last installed one of them!)
not sure if i should post the connection details on the forum, is someone able to provide me with the connections as i need them? (either by email or private message?)
Also can i connect the tampers of both twin alerts in between the belle's? or is there somewhere else for me to connect the tamper on the panel? (cant see anywhere and cant find any mention of any other tamper in the manual).
