Loud noise, no CH anymore, DM5601 or MK1453 or EP200 faulty?

Would do that but then I bypass the fuse... instead I will first remove the circuit board from its unit, clean the track between pin 8 and the fuse (which I suspect has blown away) and bridge it with a wire. I just hope no other components got damaged... will update this thread shortly. Thanks for the help so far.

You suspect correctly, you should be able to easily see which tracks are burnt out once you turn the pcb, bridge them out as you say then go from there

Matt
 
Latest status:

I have now received both the DM5601 actuator & MK1453 valve.

I drained the system to replace the MK1453 valve but was not able to do so, I have only managed to remove one of the nut after using some MD40, the 2 other nuts are still stuck so I think I will need to wait a bit longer for the MD40 to take effect.

Why didnt you just swap the innards over? 4 screws and the plate and paddles will pull out. Or have I misunderstood you :oops:
 
The PCB of the RJ2802 Relay Wiring box was well damaged, numerous tracks were blown away:


This part is pretty hard to get hold off (very low stock) hence very expensive (one company quoted me £108!). I contacted Sunvic (their factory is 20 min from my place) who told me they still had a small stock of those. I was advised to order through PlumbCenter, whom I contacted. At that point PlumbCenter were told by Sunvic that there will be automatically a £15 uplift on top of the price as it was a low quantity order. PlumbCenter were meant to call me back with the full price but they still haven't.

I wrote many emails asking Sunvic if I could go to Hamilton to pay and pick the part up myself, but they would just no sell direct. Pain in the neck for me, living in Scotland I thought it made sense to buy Scottish products...

Anyway I was not willing to pay £70 / £100 for a PCB with one fuse and one relay on it (those are really cheap components) which is not even guaranty to be delivered before Christmas. Therefore I rewired the PCB myself (using 6A wires bought from Maplin), removed the damaged tracks, cleaned and tested it:


Then I installed a new 5A fuse and a new 240V - 5A 4 Ports Relay which I bought from Maplin (ref. N14AW), reconnected all the wires to the PCB and my central heating is back up and running.

At least I am sorted for the Christmas holidays. In the long term I might make my own PCB, interesting tutorial on how to do a PCB at home: http://www.riccibitti.com/pcb/pcb.htm
 
Why didnt you just swap the innards over? 4 screws and the plate and paddles will pull out. Or have I misunderstood you :oops:

To be honest the valve did not look healthy to me:

I managed to remove the stuck nuts using a gas blow torch.

I reinstalled the 3 port valve and the actuator exactly the same way as they were originally installed. My central heating is working fine (so far). However I am not sure about one last thing. The actuator is correctly positioned; the domestic hot water arrow is pointing towards the cylinder while the Central Heating arrow is pointing towards the other pipe to the right. But if I look at the 3 way valve itself, Port A is connected to the cylinder (i.e. to the left of the photo) and port B is connected to the pipe going to the CH.


I have read that port A of a 3 way valve should go to the radiators and port B to Hot Water. Is this correct? If yes, what are the implications of inverting part A and B.
Or in my case, since the actuator is correctly positioned, can port A and B be freely interchanged?
 
Congratulations, and good thinking, Have you been up all night sorting it?
As for the ports, I really can't remember on that valve, I think if you take the old one apart, there's just a shoe that rotates in the bore, closing off the unwanted port, and no difference in the casting. Take a look!

Just a couple of points - What's that PTFE doing on the threads, the seal is the olive, not the thread. I would have used just a little joint compound on the olive, and maybe a bit of high melting point grease on the threads to make future removal easy. All OK now you've done it, - next time though!

When you're satisfied all is working (give it a few days) it would be a good idea to get some inhibitor in the system.

Good work - Go and get some sleep.
 
Oh and forgot to mention, it will be a lot less hassle if next time your valve fails to just replace it with a standard spring return

Then you can replace the relay box with a standard wiring centre (or a strip of connectors)
 
Have you been up all night sorting it?
Could not do any work on it on Friday, so I spent quite a lot of time working on it on Saturday, for some reason having a freezing flat for a few days in a row makes you move your bum :lol: Was doing several things at one though.

As for the ports, I really can't remember on that valve, I think if you take the old one apart, there's just a shoe that rotates in the bore, closing off the unwanted port, and no difference in the casting.
It seems that the aperture on port B is slightly bigger than on port A, therefore I think inverting port A and B might be an issue.

At first I thought I reinstalled the 3 port valve and the actuator exactly the same way as they were originally installed. Since the valve did not come with any instructions, I used the writing (on the plate of the front of the valve) for the valve orientation; i.e. the writing on the original plate was the correct way, i.e. from left to right, therefore I installed the replacement valve in the same manner. [I know... thinking now it was really not clever to use the writing on the plate for the valve orientation]

I opened a separate thread for this issue as it is not related to the original problem: http://www.diynot.com/forums/plumbi...port-valve-a-b-ports-inverted.348219/#2610015

What's that PTFE doing on the threads, the seal is the olive, not the thread.
I know, this is just me being paranoid with water, just added some PTFE tape for extra safety.

I would have used just a little joint compound on the olive, and maybe a bit of high melting point grease on the threads to make future removal easy. All OK now you've done it, - next time though!
Thanks for the advice Mark, will do that next time, unless I need to move the 3 port valve around!
 
Oh and forgot to mention, it will be a lot less hassle if next time your valve fails to just replace it with a standard spring return

Then you can replace the relay box with a standard wiring centre (or a strip of connectors)
Thanks for the advice Matt, this is what I wanted to do at first (i.e. installing a different valve which would allow me to get rid of this relay wiring centre) however I did not feel comfortable doing so as I did not know where the wires were going to. Since I now have the wiring diagram (available in one of my previous post), I might be able to do it next time, which hopefully will not be too soon!

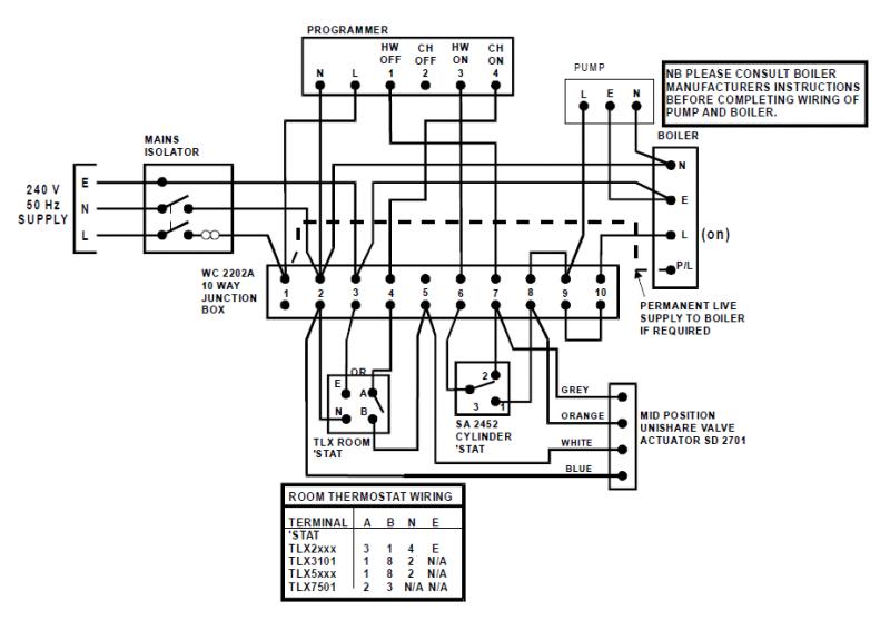
As an example, if I install a 3 port spring valve (such as a SD2701 & EDT2702), the wiring diagram would be:


This would have allowed me to do bypass the relay wiring centre and replace the parts for much cheaper! Wish I would have known...

So if I understand properly, the only reason my installation require a relay is due to the kind of valve (i.e. DM5601 & MK1453) I am using?

I think I could do the rewiring myself, but the odd thing is that I do not have any wire on pin 18 of the relay wiring centre, which is for HW OFF. If I look at the programmer backplane, I also do not have any HW OFF wire attached. Is that wire really needed? My system seems to work fine though.

PS: I thought motorised valve were more energy efficient than spring valve, are there any benefits of using spring valves?
 
yes that is the correct drawing
regarding the lack of the hot water off connection from the programmer then it means that you will not have the ability to solely have ch without hot water
(do you ever not need hot water?) but you can always add a relay or run another cable in if you want
But you probably wont as you seem to be coping the way it is now :wink:

ie you don't actually have that ability as it is now anyway

ps yes momos tend to be more efficient we use them all the time, but I work in the industrial/commercial sector I cant really comment on the reliability of domestic ones

Matt
 
it means that you will not have the ability to solely have ch without hot water
Well now it explains everything! I thought that my CH type had to generate hot water to have central heating, I was not aware I could get CH only (I assumed that the water for the CH was going through the coil in the cylinder which in turn had to provide hot water).

It seems I have a spare wire at the back of the programmer, and a spare one of the same colour in the junction box (will need they are both the same though). It would be nice to be able to get "CH only" during the winter (as I do not have any need to constantly generate hot water), it might help saving a few pennies on the gas bill.

Thanks for all the tips Matt, I learned a lot through this thread.
 
Then I installed a new 5A fuse and a new 240V - 5A 4 Ports Relay which I bought from Maplin (ref. N14AW), reconnected all the wires to the PCB and my central heating is back up and running.

Guys, very useful article, my relay is buzing therfore on its way out. Can you pls confirm that the Maplin part is a direct repalcement for the original and I should be bale to just replace. If so my problem is solved.
Origibnal is a ITT part MAT14z GR and the relay box is a Satchwell 432-2-802

cheers
 
Hi
I'm not sure that Maplin part number is quite correct, they list it as 12volt.
Suggest you take the old relay to the local branch and check.
I should point out that although Ant1 managed to repair the old board (and seems made a good job of it) it would not be recomended practice.
 
Can you pls confirm that the Maplin part is a direct repalcement for the original and I should be bale to just replace.

The original relay which came with my RJ2802 relay junction box (aka Satchwell 432-2-802) was a OMRON Type MY4, I could have purchased it from http://uk.farnell.com/omron-industrial-automation/my4-220-240acs/relay-4pco-220vac/dp/186508. The datasheet for the relay is available from http://www.farnell.com/datasheets/1514129.pdf.

Instead I went to Maplin as I needed the part right away (it would have taken too long to get the part from Farnell due to the Christmas rush). The guy from the Maplin shop in Glasgow was very knowledgeable with electrics, we compared the N14AW relay with mine and those seem to be exactly the same. Bottom line you need a 14 pins (for plug-in socket), 240V, 5A, 4 PCO (i.e. 4 contacts) relay. My central heating has been working fine since Christmas using a N14AW relay in the RJ2802 relay junction box. To be honest you cannot go wrong for £4.49, and if it does not work you have 30 days to return the product. The risk of damaging the current installation is very low, the 5A fuse should blow away first if any problem.

I'm not sure that Maplin part number is quite correct, they list it as 12volt.

The Maplin web site definitely lists N14AW as 240Vac, and that the one I purchased.
 
Can you pls confirm that the Maplin part is a direct repalcement for the original and I should be bale to just replace.

The original relay which came with my RJ2802 relay junction box (aka Satchwell 432-2-802) was a OMRON Type MY4, I could have purchased it from http://uk.farnell.com/omron-industrial-automation/my4-220-240acs/relay-4pco-220vac/dp/186508. The datasheet for the relay is available from http://www.farnell.com/datasheets/1514129.pdf.

Instead I went to Maplin as I needed the part right away (it would have taken too long to get the part from Farnell due to the Christmas rush). The guy from the Maplin shop in Glasgow was very knowledgeable with electrics, we compared the N14AW relay with mine and those seem to be exactly the same. Bottom line you need a 14 pins (for plug-in socket), 240V, 5A, 4 PCO (i.e. 4 contacts) relay. My central heating has been working fine since Christmas using a N14AW relay in the RJ2802 relay junction box. To be honest you cannot go wrong for £4.49, and if it does not work you have 30 days to return the product. The risk of damaging the current installation is very low, the 5A fuse should blow away first if any problem.

I'm not sure that Maplin part number is quite correct, they list it as 12volt.

The Maplin web site definitely lists N14AW as 240Vac, and that the one I purchased.

That's great thanks for your quick reply......just another point, although my box has a space for fuse (3a) there is no fuse fitted, but there is a desperate fuse switch next to timer....
Maplin here I come.....
 

If you need to find a tradesperson to get your job done, please try our local search below, or if you are doing it yourself you can find suppliers local to you.

Select the supplier or trade you require, enter your location to begin your search.


Are you a trade or supplier? You can create your listing free at DIYnot Local

 
Back
Top