I overheard the engineer who serviced my unvented cylinder the other day checking something about the installation with his boss. He concluded with "it's not how we do it but I guess it's OK", and moved onto other more important matters (my non compliant flue).
I was curious enough that I looked at the Kingspan installation manual to see what I could find. It turns out that the connections to the Caleffi inlet control multibloc valve are wrong ( / unconventional / unsafe / illegal?).
The balanced cold is feeding the cylinder, with the "main" outlet (the one opposite the inlet) feeding the rest of the house with cold water, with a T off to the expansion vessel.
According to the installation guide the main outlet should feed the cylinder, with a T off to the expansion vessel. The balanced cold should feed the rest of the house with cold water.
How worried should I be?
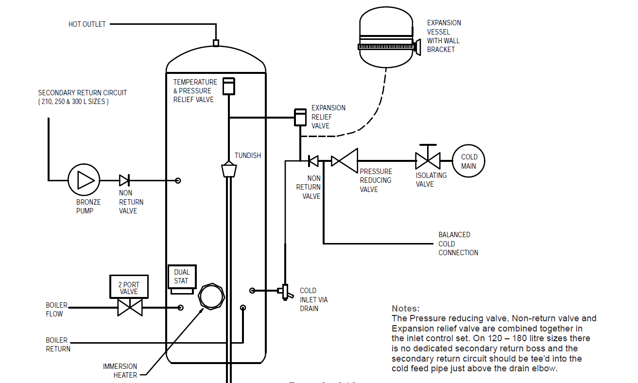
I was curious enough that I looked at the Kingspan installation manual to see what I could find. It turns out that the connections to the Caleffi inlet control multibloc valve are wrong ( / unconventional / unsafe / illegal?).
The balanced cold is feeding the cylinder, with the "main" outlet (the one opposite the inlet) feeding the rest of the house with cold water, with a T off to the expansion vessel.
According to the installation guide the main outlet should feed the cylinder, with a T off to the expansion vessel. The balanced cold should feed the rest of the house with cold water.
How worried should I be?
