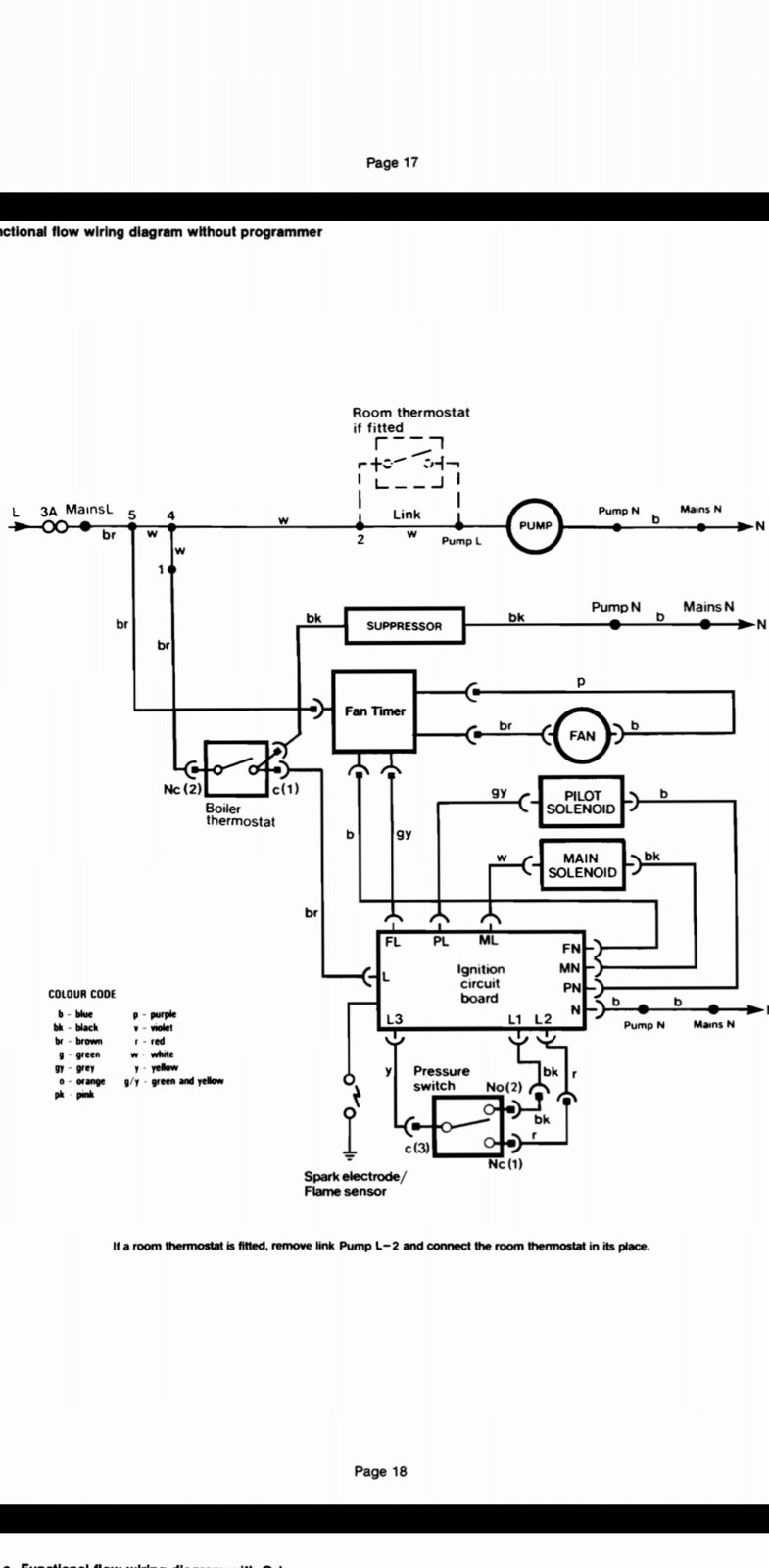
Ok so I will use the switched live that is in terminal 2. ( Currently it connected to a valve wire but this will be changed to the pump orange terminal block )
Keep the live and naturals as they are.
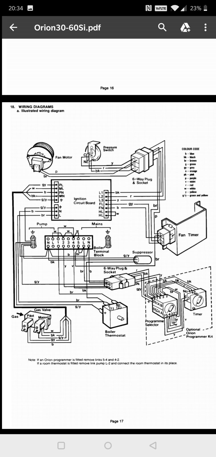
Unplug the 6 way plug and socket.
Install a link between terminals 5 4 and 2
This all look correct ?
Keep the live and naturals as they are.
Unplug the 6 way plug and socket.
Install a link between terminals 5 4 and 2
This all look correct ?
