- Joined
- 26 Nov 2025
- Messages
- 7
- Reaction score
- 0
- Country

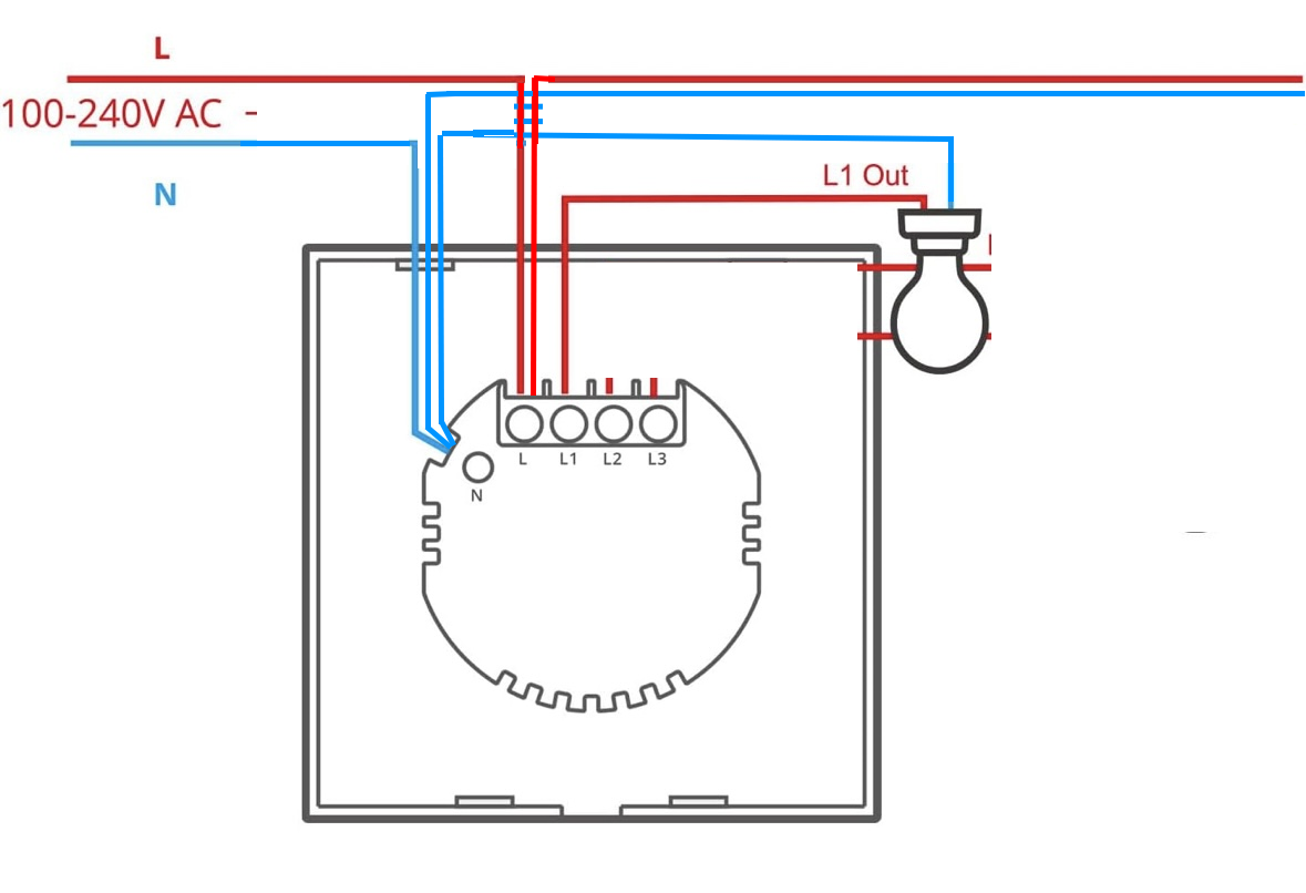
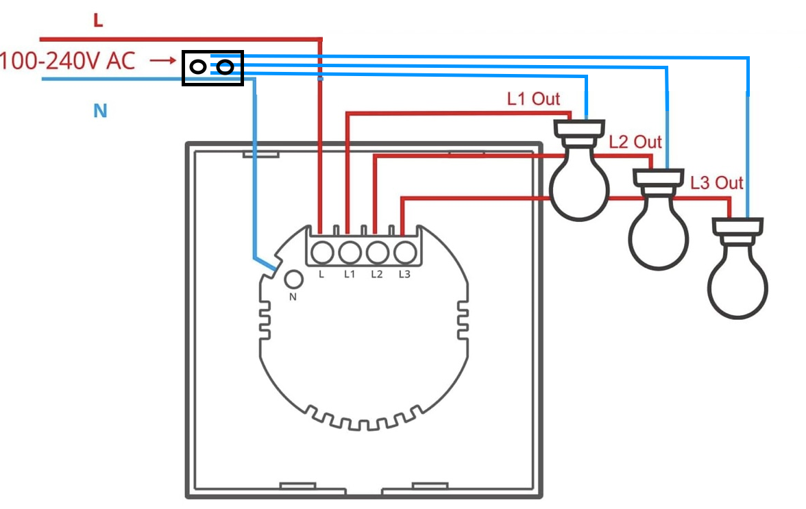
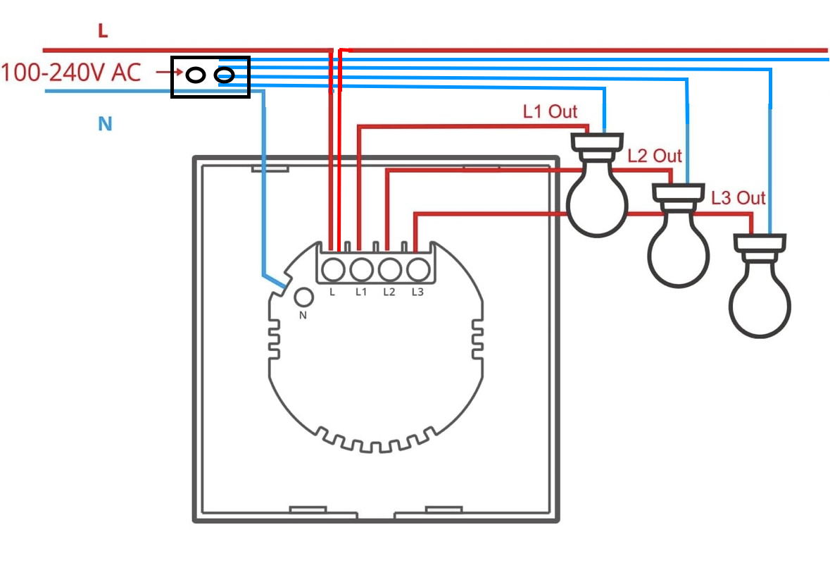
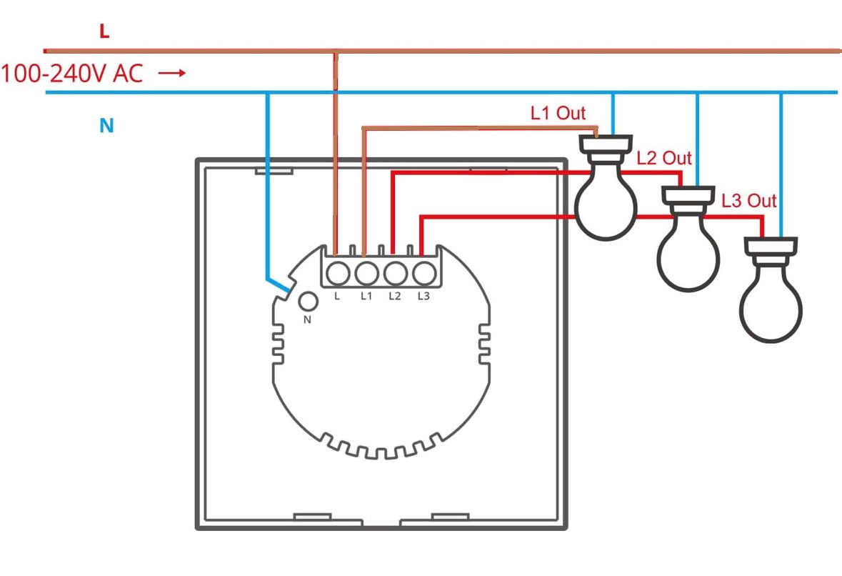
Trying to replace my old switch 1gang 1way to 3gang 1way wifi switch. Doest have comm. Does that mean Comm goes into L. Then 2xL1 to L1 and L2? Leave ground as is and take 1 neutral and connect to a new one? Thanks in advance
