- Joined
- 27 Apr 2008
- Messages
- 10,145
- Reaction score
- 1,154
- Country

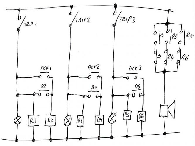
What do you mean by this?stevo66 said:every part of this needs to be able to silence the alarm.

What do you mean by this?stevo66 said:every part of this needs to be able to silence the alarm.


Does the LED need to still light once the alarm has been silenced?

If you need to find a tradesperson to get your job done, please try our local search below, or if you are doing it yourself you can find suppliers local to you.
Select the supplier or trade you require, enter your location to begin your search.
Are you a trade or supplier? You can create your listing free at DIYnot Local