- Joined
- 5 May 2021
- Messages
- 23
- Reaction score
- 1
- Country

hi all,
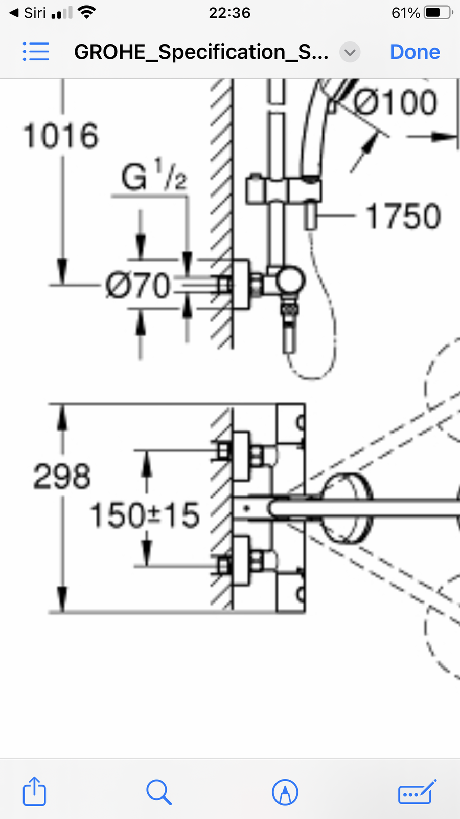
I have bought a T-bar shower set (grohe tempesta cosmopolitan 160). The T bar requires the hot and cold feeds to be a 150mm centres.
The builders have done the first fix work. The wall has been plastered up and tiled. The pipes ar at 155mm centres and theres no fitting to fix S Union connectors onto.
Is there anyway of sorting this out without removing the tile and re-positioning the pipework ?
thanks in advanvce
I have bought a T-bar shower set (grohe tempesta cosmopolitan 160). The T bar requires the hot and cold feeds to be a 150mm centres.
The builders have done the first fix work. The wall has been plastered up and tiled. The pipes ar at 155mm centres and theres no fitting to fix S Union connectors onto.
Is there anyway of sorting this out without removing the tile and re-positioning the pipework ?
thanks in advanvce