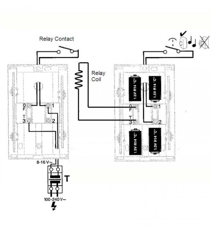
And with the addition of a relay it works! Wired as shown in John's diagram with the relay.
I found some relays in a box of spares but I bought one from Maplins today for the sake of it.
Now to add some led's and attempt to get a strobe/flash unit for them or add a small strobe.
It's very useful having a visible sign when the doorbel goes.
So far the strobe works but when activated it went on for way too long.
Again thanks for the help.
I found some relays in a box of spares but I bought one from Maplins today for the sake of it.
Now to add some led's and attempt to get a strobe/flash unit for them or add a small strobe.
It's very useful having a visible sign when the doorbel goes.
So far the strobe works but when activated it went on for way too long.
Again thanks for the help.
