Speech dialler on galaxy 2-20

Joined
25 Oct 2016
Messages
345
Reaction score
21
Country
United Kingdom
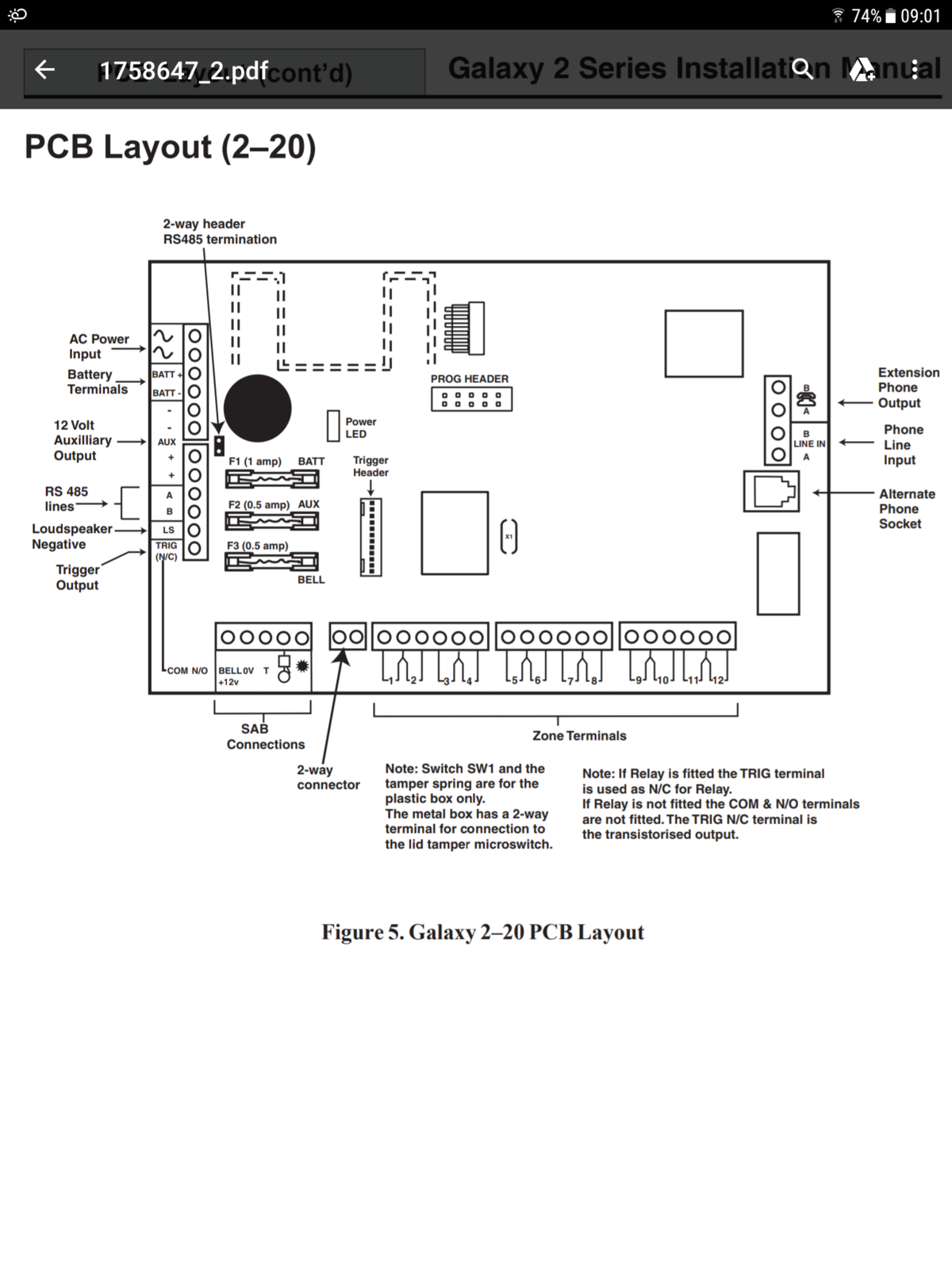
I have an sd1 on my old alarm it had 3 out pa-intruder-fire but what would I connect to on galaxy 2-20 pcb thanks
 
The galaxy has outputs for PA,INTRUDER.You could also use the bell trigger as well to connect the SD1 to.
 
You can us the bell trigger output to connect the dialler for INTRUDER.
If you require a PA trip then you need to use an output.
On the 2-20 you will use the trigger header.This will require a ribbon connector for you to use the outputs to trigger the dialler .
If you are using a Rio for zone expansion then you could us the outputs on the Rio expander to trigger the dialler
 

Attachments

  • Screenshot_20180429-090103.png
    Screenshot_20180429-090103.png
    375.2 KB · Views: 250
Not a reply to your question per-se, but have you considered Selfmon? It's an add-on for about £50 which lets you self monitor your alarm for £1 per month. It gives you full control of your panel from your phone, or internet etc. Quite a few happy customers on here, including me.
 
handmanjo is it the trigger output or the bell sab if it's the bell which one the - or + thanks
 
It's neither the bell + or - as they are the supply. It's the output that has the picture of the bell that's the bell trigger.
 

If you need to find a tradesperson to get your job done, please try our local search below, or if you are doing it yourself you can find suppliers local to you.

Select the supplier or trade you require, enter your location to begin your search.


Are you a trade or supplier? You can create your listing free at DIYnot Local

 
Back
Top