Hi guys, I know there are several Nest posts on here, but couldn't find the answer to my question.
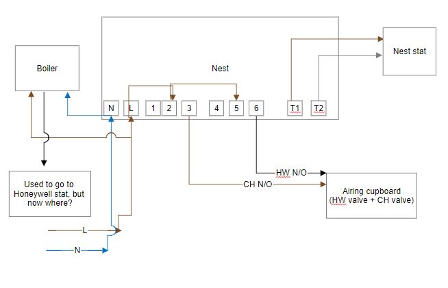
Replacing my UP2 programmer with a Nest 3rd gen looks fairly simple, except one thing. There are three wires to the current Honeywell thermostat, Live, Neutral and one that goes to the boiler. I can't figure out from the Nest wiring diagrams where this wire should go in the Nest programmer. Is it required at all with the Nest system?
If I can find the answer to this one question I'll save myself £50 on installation!
Many thanks in advance guys.
Adam.
Replacing my UP2 programmer with a Nest 3rd gen looks fairly simple, except one thing. There are three wires to the current Honeywell thermostat, Live, Neutral and one that goes to the boiler. I can't figure out from the Nest wiring diagrams where this wire should go in the Nest programmer. Is it required at all with the Nest system?
If I can find the answer to this one question I'll save myself £50 on installation!
Many thanks in advance guys.
Adam.



