- Joined
- 10 Dec 2022
- Messages
- 15
- Reaction score
- 0
- Country

Hello all.
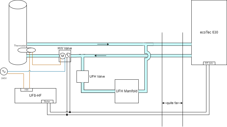
I have a Vaillant ecoTEC Plus 630 system boiler, in an S-plan setup with a HW cylinder and a UFH mixing valve. All of this is controlled via a Heatmiser UF8-HF wiring centre. The Heatmiser boiler enable contact is connected to the 24v RT of the boiler. The Heatmiser wiring centre's hot water contact switches 240v live to open the cylinder valve, and the cylinder valve's auxiliary switch contacts, is also wired to the 24v RT. All works well: when either the cylinder valve is open (and its auxiliary switch closes), and/or the UFH is on (and the heatmiser boiler enable contact closes), the boiler fires up and shows the radiator symbol. The trouble with this setup is that I can only have one flow temperature, which has to be set high enough to warm up the water cylinder: 65C. This means that when the UFH is on alone, and it requires a 35C manifold temperature, the boiler keeps on cycling.
My idea is then to have the boiler modulate its flow temperature: when UFH is on alone, it should be 40C; when the cylinder is on, it should be 65C. Possibly, the boiler should also have different heat partial load settings, which appears to be possible with Vaillant controls.
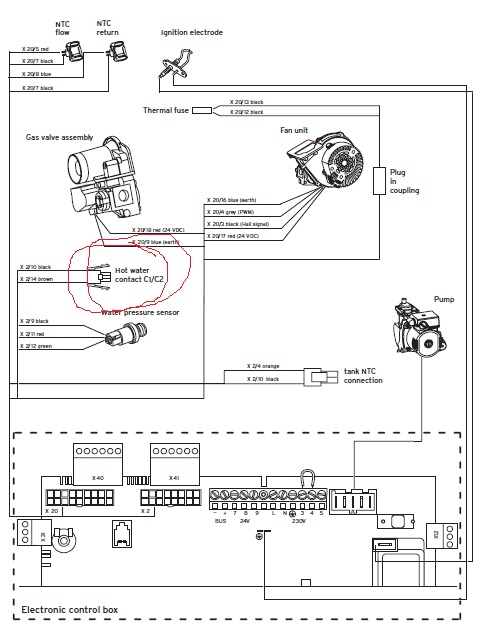
Reading on these forums, I came across this thread. In it, post #6 suggests that you can use the VR65 wiring centre as a dumb switch which sends a "call for DHW" signal when the CYL contact is closed. He says that "If boiler receives both 240v on RT for heating and eBus command for DHW charging the cylinder charging mode will take priority. When DHW charging is finished the boiler will return servicing RT request."
This is exactly what I want to do with my boiler, but with two variants:
1. Vaillant don't make the VR65 anymore, so I want to use its replacement, the VR66. The manual for the VR66, on page 6, says that you can use it in "Monozone mode (position 1) with VR65 functions". So it sounds to me that whatever was done in the above thread with the VR65 could potentially be done with the VR66 in this mode.
2. Instead of using 240v RT, I would like to keep my 24V RT setup.
Like so:
Questions:
1. Does anybody have any experience with using the VR66 in this mode? The original poster of the thread above seems to have experience of using the VR65 to do this, but what about the VR66 (in VR65 mode)?
2. Does anybody know if the same priority system works in this situation, or in other words, does this statement hold true? -> "If boiler receives both 24v RT for heating and eBus command for DHW charging the cylinder charging mode will take priority. When DHW charging is finished the boiler will return servicing RT request."
Thank you all.
(DISCLAIMER: I am fully aware that putting my hands inside the boiler invalidates the warranty and would require the intervention of a gas safe engineer)
I have a Vaillant ecoTEC Plus 630 system boiler, in an S-plan setup with a HW cylinder and a UFH mixing valve. All of this is controlled via a Heatmiser UF8-HF wiring centre. The Heatmiser boiler enable contact is connected to the 24v RT of the boiler. The Heatmiser wiring centre's hot water contact switches 240v live to open the cylinder valve, and the cylinder valve's auxiliary switch contacts, is also wired to the 24v RT. All works well: when either the cylinder valve is open (and its auxiliary switch closes), and/or the UFH is on (and the heatmiser boiler enable contact closes), the boiler fires up and shows the radiator symbol. The trouble with this setup is that I can only have one flow temperature, which has to be set high enough to warm up the water cylinder: 65C. This means that when the UFH is on alone, and it requires a 35C manifold temperature, the boiler keeps on cycling.
My idea is then to have the boiler modulate its flow temperature: when UFH is on alone, it should be 40C; when the cylinder is on, it should be 65C. Possibly, the boiler should also have different heat partial load settings, which appears to be possible with Vaillant controls.
Reading on these forums, I came across this thread. In it, post #6 suggests that you can use the VR65 wiring centre as a dumb switch which sends a "call for DHW" signal when the CYL contact is closed. He says that "If boiler receives both 240v on RT for heating and eBus command for DHW charging the cylinder charging mode will take priority. When DHW charging is finished the boiler will return servicing RT request."
This is exactly what I want to do with my boiler, but with two variants:
1. Vaillant don't make the VR65 anymore, so I want to use its replacement, the VR66. The manual for the VR66, on page 6, says that you can use it in "Monozone mode (position 1) with VR65 functions". So it sounds to me that whatever was done in the above thread with the VR65 could potentially be done with the VR66 in this mode.
2. Instead of using 240v RT, I would like to keep my 24V RT setup.
Like so:
Questions:
1. Does anybody have any experience with using the VR66 in this mode? The original poster of the thread above seems to have experience of using the VR65 to do this, but what about the VR66 (in VR65 mode)?
2. Does anybody know if the same priority system works in this situation, or in other words, does this statement hold true? -> "If boiler receives both 24v RT for heating and eBus command for DHW charging the cylinder charging mode will take priority. When DHW charging is finished the boiler will return servicing RT request."
Thank you all.
(DISCLAIMER: I am fully aware that putting my hands inside the boiler invalidates the warranty and would require the intervention of a gas safe engineer)
Last edited: