- Joined
- 1 Apr 2019
- Messages
- 5
- Reaction score
- 0
- Country

Dear all,
I would like to apologize in advance for maybe repeating this question in this forum. Unfortunately i could not find the right thread that answered my question that is why I am addressing you guys and gals once again.
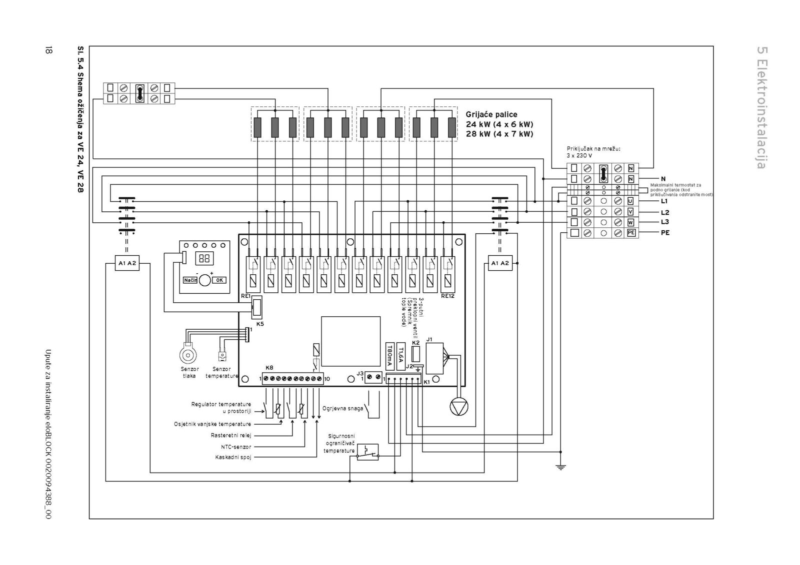
I just recently purchased a Vailliant eloblock 28kw electric boiler heater for my house, and I am interested in knowing if i can connect this unit to a Nest Thermostat. This unit i believe is also know in some other countries as ECOBLOCK, although I am not sure.
Unfortunately where i live, I could not find an English schematics of the unit so bare with me and for the Russian speaking people or individuals with electronic skills please let me know if I could be able to connect this unit and how to connect it if possible to a NEST thermostat.
I will attach also two links/files as how this board looks in reality and the Russian/Polish schematics i found online.
I would be very great-full if someone could help me, and I do apologize in advance If I missed a relevant post on this topic that could have helped me.
Best,
Leka.
(Albania)
I would like to apologize in advance for maybe repeating this question in this forum. Unfortunately i could not find the right thread that answered my question that is why I am addressing you guys and gals once again.
I just recently purchased a Vailliant eloblock 28kw electric boiler heater for my house, and I am interested in knowing if i can connect this unit to a Nest Thermostat. This unit i believe is also know in some other countries as ECOBLOCK, although I am not sure.
Unfortunately where i live, I could not find an English schematics of the unit so bare with me and for the Russian speaking people or individuals with electronic skills please let me know if I could be able to connect this unit and how to connect it if possible to a NEST thermostat.
I will attach also two links/files as how this board looks in reality and the Russian/Polish schematics i found online.
I would be very great-full if someone could help me, and I do apologize in advance If I missed a relevant post on this topic that could have helped me.
Best,
Leka.
(Albania)
Attachments
Last edited: