What would you wire the switch to?Alternatively you can use a change over switch (summer/winter)
Why would you need a relay? Fig 39 on page 38 of the boiler manual shows that the pump and boiler are connected to the same terminal (3), so the thermostat could be simply wired in series with the timeswitch contacts and control them both together as the timeswitch does now.shucks you could even chuck in a relay to switch the boiler.
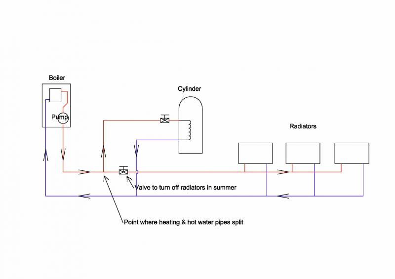
You need to take the room stat out of the equation for summer use.
A programmer with the room stat connected to T4, htg call for example.
A summer winter switch will also work as would a relay.
A summer/winter switch is the simplest, where you can direct fire the boiler and pump in the summer, or through the stat for the winter.
Just thought of another posible way as well which is even easier.
T2 the cooling circuit in the room stat. when the stat is calling the boiler pump works from T3, when sat from T2. need to think about this one.
