I want to swap my old CH thermostat for a new one.
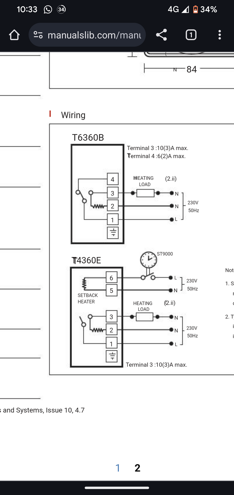
Photo of the old one and it's wiring diagram is attached - It is a Honeywell T6360B. I think that;
the Earth sleeved wire (on 1) is the Live,
Black (2) is N
and Red (3) call for heat.
The new one is a Drayton RTS2 (diagram also attached).
On that will;
N be the Black wire
L the sleeved Earth wire
and the Red wire go to 3?
Photo of the old one and it's wiring diagram is attached - It is a Honeywell T6360B. I think that;
the Earth sleeved wire (on 1) is the Live,
Black (2) is N
and Red (3) call for heat.
The new one is a Drayton RTS2 (diagram also attached).
On that will;
N be the Black wire
L the sleeved Earth wire
and the Red wire go to 3?
