wiring help needed

Boiler is 28kw

Stem - almost there! Heating circuit ok. When hot water demanded, all switches over ok.

However, it is then held in that state when hot tap is closed. It holds +ve condition on Orange, white and grey
 
Boiler is 28kw

Stem - almost there! Heating circuit ok. When hot water demanded, all switches over ok.

However, it is then held in that state when hot tap is closed. It holds +ve condition on Orange, white and grey

Because The room stat is back feeding the valve via the orange
(try turning the stat down when the valve is stuck and it should return)
as asked earlier what is the make/model of the boiler as there may be better wiring options for you
otherwise you may have to get another relay

Matt
 
Matt you are spot on. Turn room stat down and it resets.

Boiler is Trianco Optimax 28 SB
 
Cant find a manual for that and in a bit of a rush to search but

If your boiler uses volt free switching you will need to either wire it something like this using a second relay

View media item 56293
(if your programmer has voltfree contacts then with some wiring changes you can get away with using one relay)

If your boiler uses a 230v switched live then you can also get away with using only the one relay

Matt

PS Just to add, if you were to purchase a proper diverter valve with an endswitch then it may not need any relays regardless of how the boiler demand is switched
 
Stem - almost there! Heating circuit ok. When hot water demanded, all switches over ok.

However, it is then held in that state when hot tap is closed. It holds +ve condition on Orange, white and grey
That was why I used the changeover switch on the first diagram. The second drawing was a bit rushed and I missed it. :roll:

However, thinking about it again. In the first diagram, I thought that when the flow switch was operated by water flowing, it would disconnect the motorised valve, release the internal contact and prevent a live being fed back through it. However, it may be too quick when it changes over to allow the valve to release the microswitch. So it looks like you will need another relay.
 
Stem - almost there! Heating circuit ok. When hot water demanded, all switches over ok.

However, it is then held in that state when hot tap is closed. It holds +ve condition on Orange, white and grey
That was why I used the changeover switch on the first diagram. The second drawing was a bit rushed and I missed it. :roll:

However, thinking about it again. In the first diagram, I thought that when the flow switch was operated by water flowing, it would disconnect the motorised valve, release the internal contact and prevent a live being fed back through it.

The first diagram is fine (the one that shows the flow switch as a changeover) and works as you describe
Think about the zone valve actuator as another relay t will be clearer

The flaw in the second one I think we all missed at first to be honest but I was a bit rushed too :wink:

Matt
 
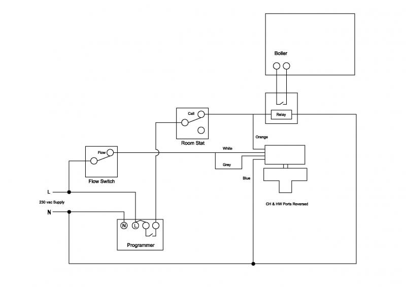
Have 2nd relay now. Going to need to put back the ports to original positions to implement Matt's diagram. I have the valve mounted vertically, does it matter which way up it goes? Installation manual shows port A (heating) at top. I'm thinking it shouldn't matter but thought I read somewhere it had to be this way up, just can't find it now
 
Have 2nd relay now. Going to need to put back the ports to original positions to implement Matt's diagram. I have the valve mounted vertically, does it matter which way up it goes? Installation manual shows port A (heating) at top. I'm thinking it shouldn't matter but thought I read somewhere it had to be this way up, just can't find it now

No you dont need to turn the valve around, the drawing I posted just adds a relay to what you have already done

Before
21000_20409_56274_26810407.jpg


After
113000_112566_56293_63048027.jpg


Matt
 
You are right once again...I'm going mad.

Will implement this now but think I would like to swap them back again at some point

1. to conform what would be expected

2. to get the edge on DHW speed (doesn't have to move port across)

3. In summer valve being held open meaning likely to wear out valve quicker

So just for future reference, can valve be mounted B port up?

If you fancy doing another diagram for this way round would appreciate itjavascript:emoticon(':D')

Cheers
:D
 
Ok use this one to use the valve the other way (open to hotwater when unpowered) you will need to utilise another contact in the Flow switch operated relay to disable the CH when HW is called for, the contact arrangement will need to be NORMALLY CLOSED

View media item 56361
the Valve can be mounted in any orientation apart from upside down (it would work upside down but would be a plain stupid thing to do)

Matt
 
Thanks one again.

Well have left it in "ports reversed" at moment and implemented wiring as per diagram and as expected, all looking good.

Think I will put ports back though as there was a noticeable delay in moving the valve when HW demanded.
 

If you need to find a tradesperson to get your job done, please try our local search below, or if you are doing it yourself you can find suppliers local to you.

Select the supplier or trade you require, enter your location to begin your search.


Are you a trade or supplier? You can create your listing free at DIYnot Local

 
Back
Top