- Joined
- 23 Feb 2017
- Messages
- 27
- Reaction score
- 1
- Country

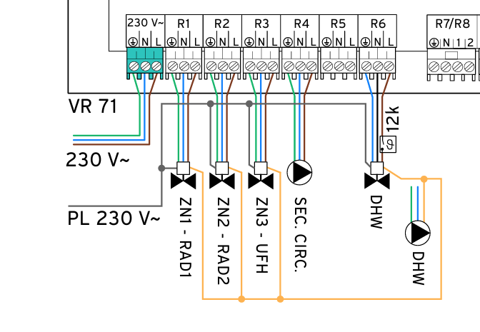
Evening,
Regarding zone valves and end switches - what does the 'PL' bit of PL 230 v on the drawing mean?
It appears to be the supply for the switch on the zone valve, so is it 'permanent live' ?
And from where should it be sourced as a best practise?
cheers
Regarding zone valves and end switches - what does the 'PL' bit of PL 230 v on the drawing mean?
It appears to be the supply for the switch on the zone valve, so is it 'permanent live' ?
And from where should it be sourced as a best practise?
cheers
Attachments
Last edited: