Hi. As I understand it this is a primary flow thermistor error (temperature overheat). I've just had this happen again after having no problems for a while. It's only ever happened after turning on the hot water, doesn't seem to happen when it's doing the central heating. I wondered if in theory this could be caused by setting the pump speed too low (the lowest setting), therefore the flow's not fast enough within the boiler and it heats up too much? I haven't had the error in a few months and have recently turned the pump speed down from high (fine, no issue) to medium (also no issue) to low (fine for a couple of days, then just had this error again after not seeing it in a long time). My other guess would be the plate heat exchanger on the DHW side is somewhat blocked, but I cleaned it a while ago using an aquarium pump to run vinegar through it for a couple of hours, also fitted an electrolytic and magnetic scale inhibitor on it to prevent more limescale. I turned pump speed back to medium and reset, seems fine again so far, time will tell.
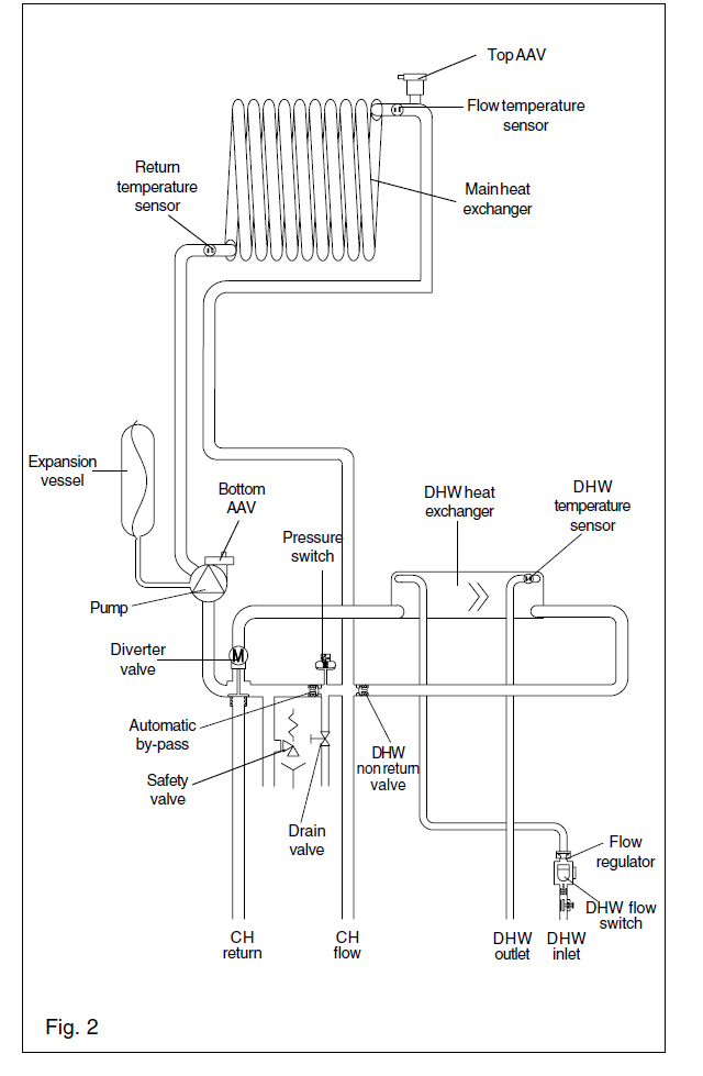
I did have one other question if anyone knows the answer. I know the internal expansion vessel in the boiler is shot, so fitted an external vessel on the central heating return some time ago. But how does this take up expansion when it's only doing the hot water?! Looking at the diagram in the manual it shows the internal vessel as attached to the pump. It obviously works somehow but I don't understand it, to me it looks like when the hot water is running the central heating circuit would not be involved.
cheers,
Tom
I did have one other question if anyone knows the answer. I know the internal expansion vessel in the boiler is shot, so fitted an external vessel on the central heating return some time ago. But how does this take up expansion when it's only doing the hot water?! Looking at the diagram in the manual it shows the internal vessel as attached to the pump. It obviously works somehow but I don't understand it, to me it looks like when the hot water is running the central heating circuit would not be involved.
cheers,
Tom
