Hi Guys, I need help installing Nest 3rd Gen Thermostat wiring using existing wiring.
Currently on Danfoss thermostat and nest installation guide is confusing. I believe our boiler system is in S plan.
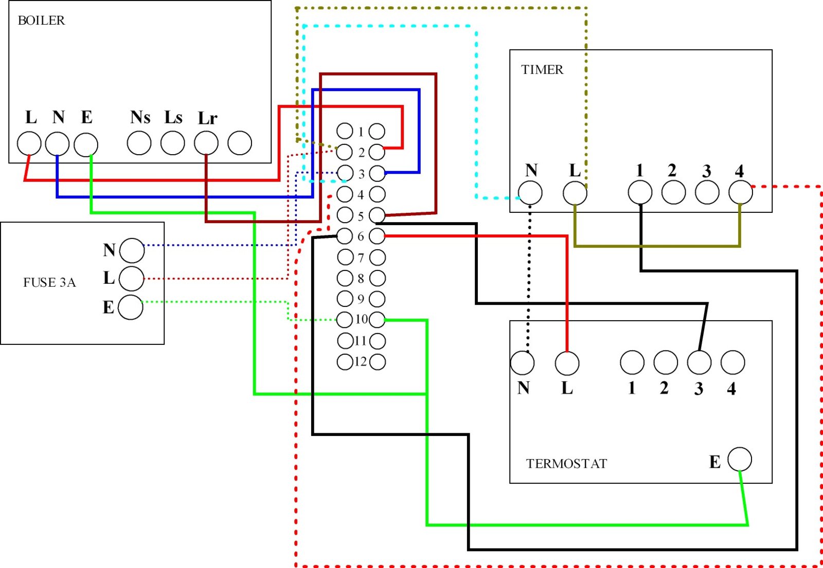
Our Boiler is Worcester 28CDi RSF COMBI.
Our current Drayton thermostat switches on water heating automatically when hot woter required. And central heating works same way; if we require heating we switch on central heating.
So need help in wiring Nest 3rd Gen Heat link first & then thermostat ring on existing wired thermostat.
I thing to do this:
1. Ls is as you suspect a permanent live (Ls = Live Supply) This would go to the Heatlink L,
and also be linked to the 'Heating Common' 2
2. Ns is 'Neutral Supply' This would go to the Heatlink N
3. Lr is 'Live Return' this goes to Heatlink 3, "Heating Call for Heat"
4. Earth to earth as applicable
Dont know what to do with wire from Timer and Thermostat
Currently on Danfoss thermostat and nest installation guide is confusing. I believe our boiler system is in S plan.
Our Boiler is Worcester 28CDi RSF COMBI.
Our current Drayton thermostat switches on water heating automatically when hot woter required. And central heating works same way; if we require heating we switch on central heating.
So need help in wiring Nest 3rd Gen Heat link first & then thermostat ring on existing wired thermostat.
I thing to do this:
1. Ls is as you suspect a permanent live (Ls = Live Supply) This would go to the Heatlink L,
and also be linked to the 'Heating Common' 2
2. Ns is 'Neutral Supply' This would go to the Heatlink N
3. Lr is 'Live Return' this goes to Heatlink 3, "Heating Call for Heat"
4. Earth to earth as applicable
Dont know what to do with wire from Timer and Thermostat
