Tha op has had four visitors to his premises and no joy and at least a dozen casualties on here and still no closer to solving the issue. lol.
Roll on page 20.![]()

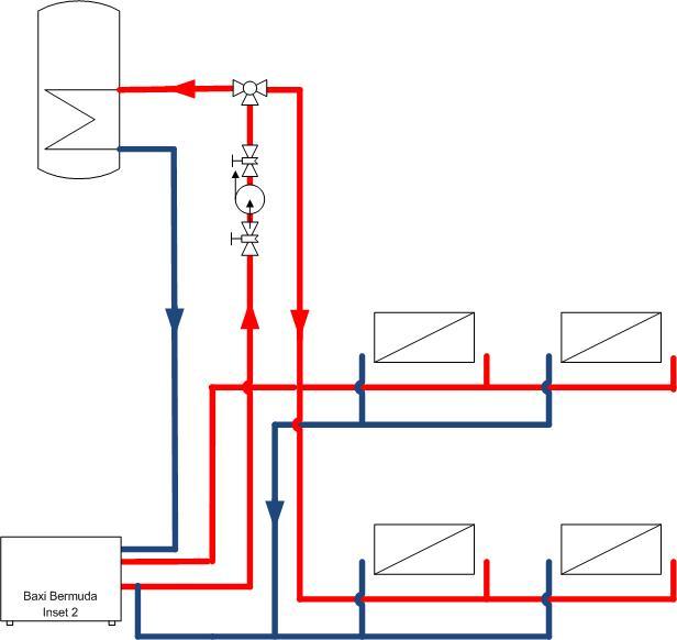
well lets see how this changes things, only managed 2 test today,
pump disabled, prog set HW only, 3pv mid gets pipe to pump hot 1st,
pump disbled, prog set HW only, 3pv HW gets pipe to bottom of tank hot 1st
i want to make sure all tests are done before i reconect pump as its difficult to get to, if ok i will run tests with pump again
well lets see how this changes things, only managed 2 test today,
pump disabled, prog set HW only, 3pv mid gets pipe to pump hot 1st,
pump disbled, prog set HW only, 3pv HW gets pipe to bottom of tank hot 1st
i want to make sure all tests are done before i reconect pump as its difficult to get to, if ok i will run tests with pump again

you've just asked me to run upgrademe tests before i reconnect the pump, isn't that what i have just done?

The only difference to the tests i have done is the hottest pipes instead of which gets hot 1st, is this correct?
[GALLERY=media, 43386][/GALLERY] [GALLERY=media, 43387][/GALLERY] [GALLERY=media, 43388][/GALLERY] [GALLERY=media, 43389][/GALLERY]
Pictures of pipes into chimney breast, fire and boiler controls
The 28mm pipes you can see here move from left to right then bend left through the chimney breast, not too clear but i took at least 10 pics before i got one this good!
15mm D in 2nd pic is mainly hidden by the electric cable, you can just see the corroded T joint at the bottom
If you need to find a tradesperson to get your job done, please try our local search below, or if you are doing it yourself you can find suppliers local to you.
Select the supplier or trade you require, enter your location to begin your search.
Are you a trade or supplier? You can create your listing free at DIYnot Local