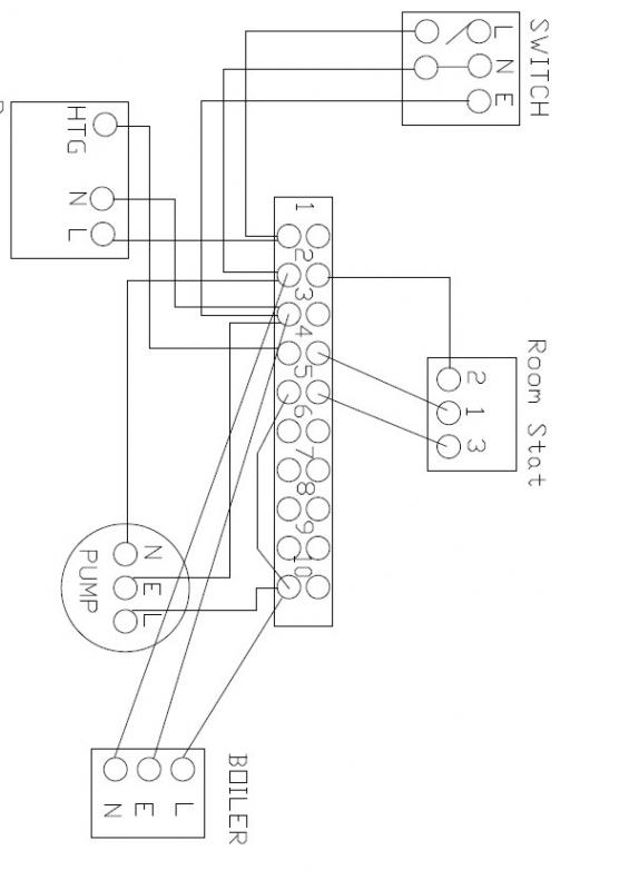
Below is the wiring I intend to make for the central heating system.
This is what honeywell suggest but I want to make sure and take 2nd opinions from the knowledge on this forum.
Basically it is for central heating only- not hot water, I have a boiler, pump, room stat and programmer, no cylinder stats or port valves. What i don't understand on this wiring diagram is how the live feed gets from position 1 to position 10. Any comments?
This is what honeywell suggest but I want to make sure and take 2nd opinions from the knowledge on this forum.
Basically it is for central heating only- not hot water, I have a boiler, pump, room stat and programmer, no cylinder stats or port valves. What i don't understand on this wiring diagram is how the live feed gets from position 1 to position 10. Any comments?
