- Joined
- 1 Feb 2021
- Messages
- 1
- Reaction score
- 0
- Country

My existing thermostat is a Honeywell CM907 which only has two wires (CM907.jpg)
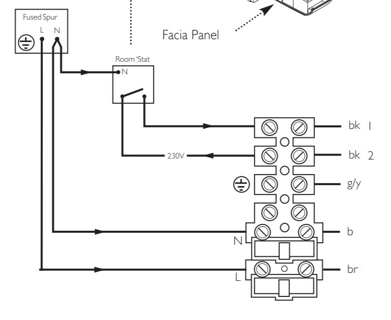
The wiring diagram from the Baxi Platinum Combi shows two wires from the boiler plus a neutral from the fused spur. My installation does not include the neutral. (Baxi.jpg)
The new MOES BHT-002 thermostat requires four wires (BHT-002.jpg).
For this to work, do I need:
Add a neutral and connect to MOES pin 3.
Move Honeywell wire B (N) to MOES pin 2.
Move Honeywell wire A (L 230V) to MOES pin 4 and add a link to MOES pin 1.
See BAXI-MOES.jpg
The wiring diagram from the Baxi Platinum Combi shows two wires from the boiler plus a neutral from the fused spur. My installation does not include the neutral. (Baxi.jpg)
The new MOES BHT-002 thermostat requires four wires (BHT-002.jpg).
For this to work, do I need:
Add a neutral and connect to MOES pin 3.
Move Honeywell wire B (N) to MOES pin 2.
Move Honeywell wire A (L 230V) to MOES pin 4 and add a link to MOES pin 1.
See BAXI-MOES.jpg