Hello all
i have the GLOWWORM FLEXICOM 30cx combination boiler, i have bought the Nest V3 smart thermostat , i have wired up the boiler and the thermostat as far as i know correctly from the diagram with the nest instructions
This is the fused power switch to the boiler the white sheathed cable to the lower left was to the boiler , the upper left mains cable is the mains feed to the fused box.
(ignore the white cable center top to bottom right - its the same wire as to the boiler but curved up from inside the back box)
this is the terminal block from the boiler , i now don't have the brown and blue that are seen on the "24v Eb us 0V " as they were to power the old timer/thermostat
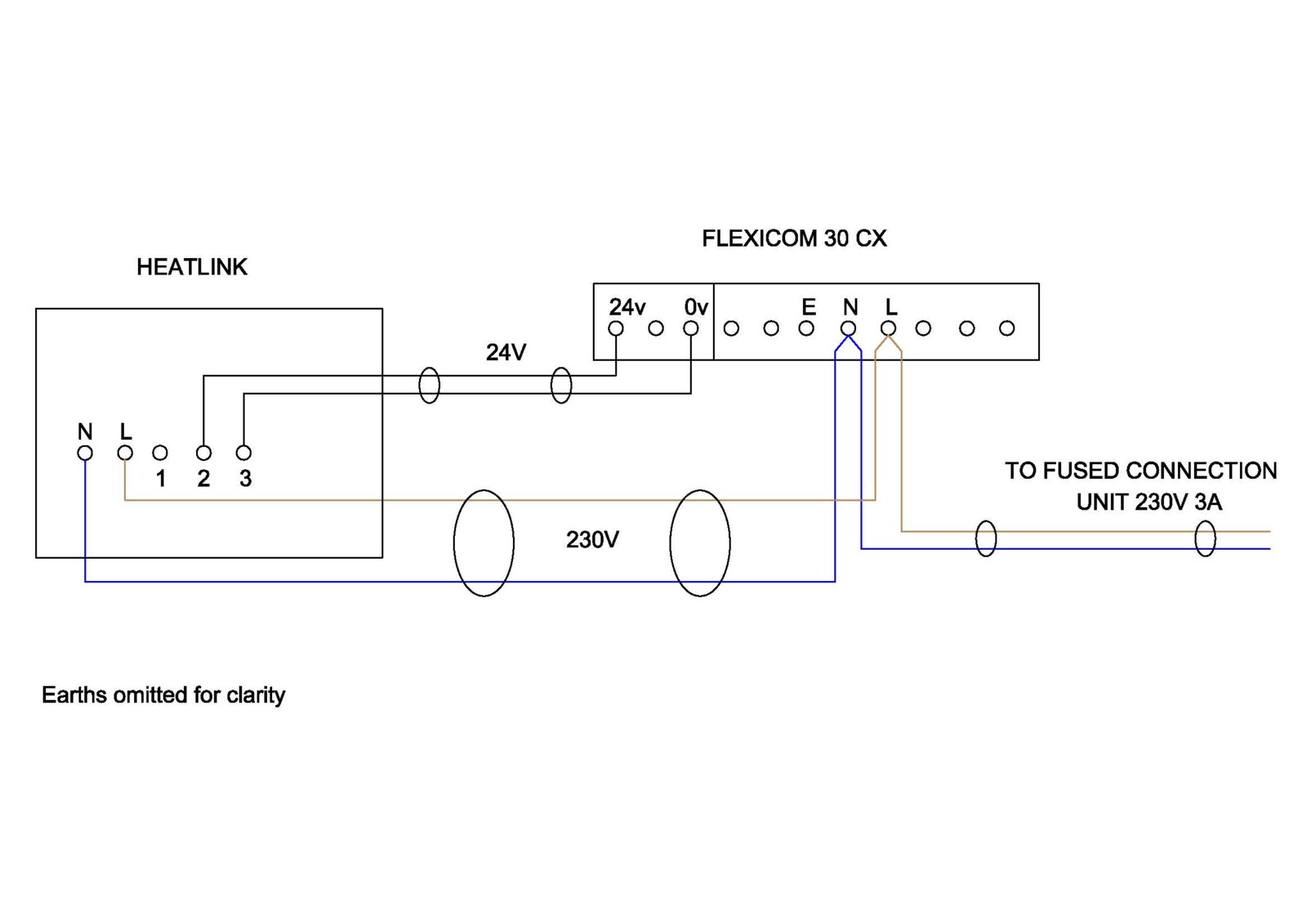
This is the diagram i have followed from the instruction manual
The issue i have is that the combi boiler is obtaining power as the unit powers up and the display panel is illuminated , and when i turn on the hot tap , i get hot water (its a combi boiler)
BUT i do not have any central heating control , i cannot get it to fire up at all
Am i missing a wire somewhere, ?
i do not understand the diagram - do the lines above terminal 1-2-3 represent its switches between one and the other ?
To add misery to this , i have found a leak in the boiler and i am to collect the new part tomorrow so i have left it for now ( the coldest day of the year )
Any help appreciated
thanks
i have the GLOWWORM FLEXICOM 30cx combination boiler, i have bought the Nest V3 smart thermostat , i have wired up the boiler and the thermostat as far as i know correctly from the diagram with the nest instructions
This is the fused power switch to the boiler the white sheathed cable to the lower left was to the boiler , the upper left mains cable is the mains feed to the fused box.
(ignore the white cable center top to bottom right - its the same wire as to the boiler but curved up from inside the back box)
this is the terminal block from the boiler , i now don't have the brown and blue that are seen on the "24v Eb us 0V " as they were to power the old timer/thermostat
This is the diagram i have followed from the instruction manual
The issue i have is that the combi boiler is obtaining power as the unit powers up and the display panel is illuminated , and when i turn on the hot tap , i get hot water (its a combi boiler)
BUT i do not have any central heating control , i cannot get it to fire up at all
Am i missing a wire somewhere, ?
i do not understand the diagram - do the lines above terminal 1-2-3 represent its switches between one and the other ?
To add misery to this , i have found a leak in the boiler and i am to collect the new part tomorrow so i have left it for now ( the coldest day of the year )
Any help appreciated
thanks
Last edited:



