- Joined
- 29 Nov 2016
- Messages
- 2
- Reaction score
- 0
- Country

just purchased the Hive 2, and found I've got the Vokera combie boiler at home.
Currently the CENTER thermostat is:
The hive 2 should be:
How can I connect T1 and T2 from the boiler?
Thanks for the help in advance.
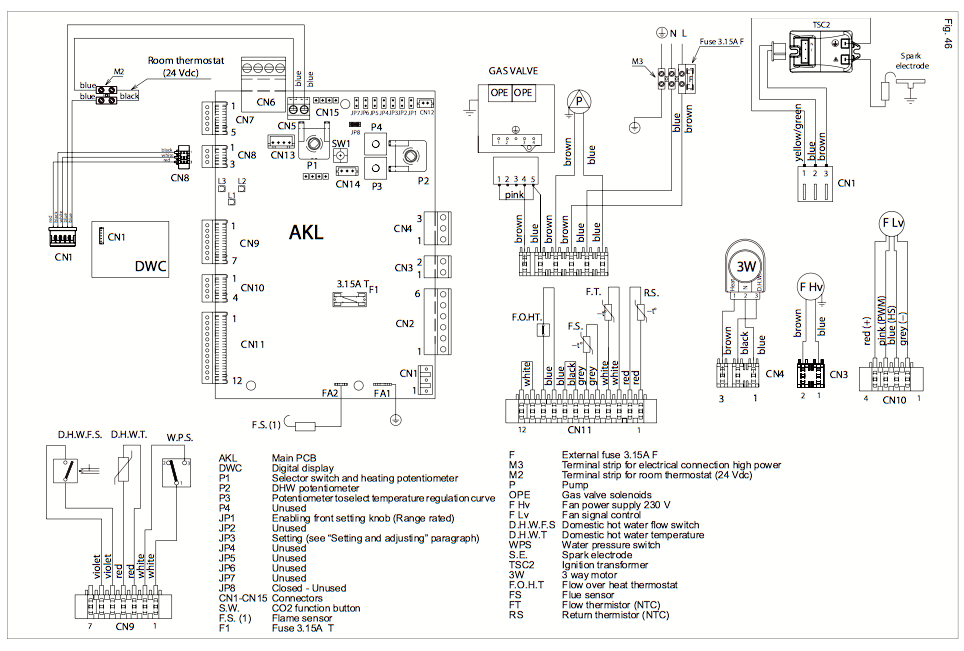
I enclosed the DIAGRAM of the boiler.
Currently the CENTER thermostat is:
The hive 2 should be:
How can I connect T1 and T2 from the boiler?
Thanks for the help in advance.
I enclosed the DIAGRAM of the boiler.
Attachments
Last edited: