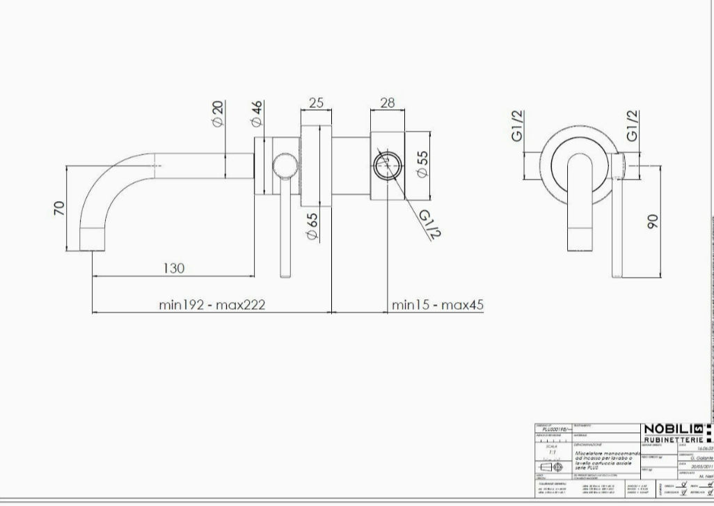
afternoon, i finally got my cartridge after fedex lost it for 9 days, ive got this far but how to you actually remove the old cartridge, and the brass (whatever its called) it had a screw inside it which ive removed, that looks connected should that just pull out?
dont want to put too much pressure as i may break the mirror.
thanks
dont want to put too much pressure as i may break the mirror.
thanks
Attachments
-
242557398_10160109587620934_5825082402159129729_n.jpg130.1 KB · Views: 137 -
242588855_10160109587640934_2940150165264761542_n.jpg183.7 KB · Views: 121 -
242536427_10160109587680934_5641996706444766079_n.jpg141.5 KB · Views: 116 -
242740611_10160109587575934_2746642245685370961_n.jpg98.5 KB · Views: 135
