How to wire from Boiler Potterton Platinum 40 to Nest Learning Thermostat

Joined
5 Oct 2022
Messages
1
Reaction score
0
Country
United Kingdom
Dear Sir/Madam,

Please someone guide me on how to wire from a Nest Learning Thermostat to a Potterton Platinum 40.

1. How many core wire should I use, I already bought 4m of 5 core-wire (Brown, Black, Blue, Grey and Yellow/Green)


852D49C5-E20F-4847-8C18-3B643D56C095.jpeg
 

Attachments

  • 4077C26D-3B25-4A3C-BF24-E2331186C030.jpeg
    4077C26D-3B25-4A3C-BF24-E2331186C030.jpeg
    339.2 KB · Views: 125
You’ll need to take live and neutral from the boiler (plus earth) to the Nest. One new cable*
Connect those to L&N in the Nest.

Then another cable* two wires and earth. Remove the yellow wire link. Blue to 1, brown to 2.
These connect on the Nest:
Brown to 2, Blue to 3.

Basically the diagram on page 20 here

*you can use two lengths of 2 core snd earth, or buy some 5 core cable from an electric wholesaler.
 
You’ll need to take live and neutral from the boiler (plus earth) to the Nest. One new cable*
Connect those to L&N in the Nest.

Then another cable* two wires and earth. Remove the yellow wire link. Blue to 1, brown to 2.
These connect on the Nest:
Brown to 2, Blue to 3.
Yes that will work. But the Manufactures Instructions (a part of which is shown on the picture), wants the live feed from terminal 2 to provide the power for the Nest, so only a 4 core cable is needed - with a link wire within the nest heatlink connecting L and 2.
1664987001219.png

It seems as if the MI want the controls to be protected by the boilers internal 3A fuse (also note the fuse on neutral!).

Any internal timer on the boiler will also have to be set to permanently on.
 
Last edited:
Yes that will work. But the Manufactures Instructions (a part of which is shown on the picture), wants the live feed from terminal 2 to provide the power for the Nest, so only a 4 core cable is needed - with a link wire within the nest heatlink connecting L and 2.
View attachment 281700
It seems as if the MI want the controls to be protected by the boilers internal 3A fuse (also note the fuse on neutral!).

Any internal timer on the boiler will also have to be set to permanently on.
I think that’s more for a Honeywell room stat or similar. Most boilers don’t have an internal 3A fuse. It will work fine the way suggested, terminals 1 and 2 are just a switch.
 
I think that’s more for a Honeywell room stat or similar. Most boilers don’t have an internal 3A fuse. It will work fine the way suggested, terminals 1 and 2 are just a switch.
Yep, as I said it will work fine.
And I may have confused by showing the diagram.
But both the MI and the label on the boiler state:
1664999006902.png

Screenshot_20221005-203936_Chrome.jpg

But, as some will say around here, MI are often wrong! :)
 
But, as some will say around here, MI are often wrong! :)
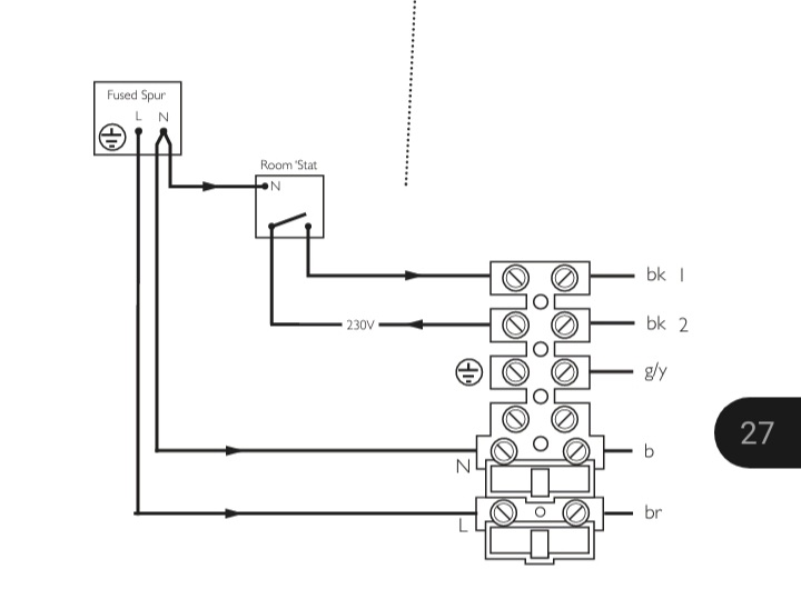
Yes I do question fusing the neutral, linked MCB OK, but fuse? If the power is not taken back out of the boiler then no problem, but they are saying it must be taken from the boiler, Fig 33
1665180213040.png
clearly shows the supply for the external clock is not taken from the boiler, it is using volt free contacts since Nest Gen 3 has volt free contacts this is not a problem, however this would mean one could not use any programmer or thermostat without volt free contacts. But looking at this
1665181814886.png

Not showing earth for clarity plus I am lazy, but since we have connection to both the fused spur and the boiler it would be better to use two cables as I said before. I know we have two permanent lines, but one is fused inside the boiler and one only outside the boiler so two independent circuits.
 

If you need to find a tradesperson to get your job done, please try our local search below, or if you are doing it yourself you can find suppliers local to you.

Select the supplier or trade you require, enter your location to begin your search.


Are you a trade or supplier? You can create your listing free at DIYnot Local

 
Back
Top