moving wires from the pendant to an enclosure and adding a wall light

Joined
7 Jul 2020
Messages
8
Reaction score
0
Country
United Kingdom
Hi all, happy new year.

Just hoping someone would be able to check my intention for the bathroom before I go ahead?

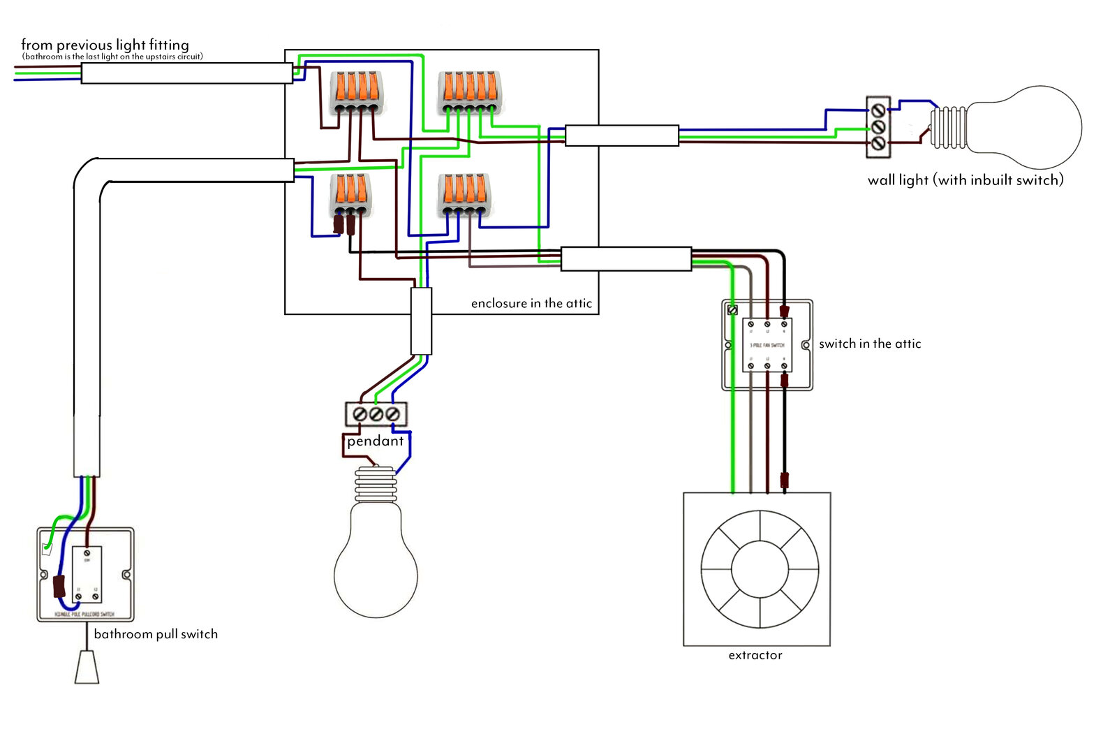
Currently all the wires feed through into the old smashed up pendant and it's a mess, we're changing the pendant to an IP44 and adding a wall light above the mirror. there's not really enough room to force another wire through the hole to the pendant and new pendant has got a single terminal block instead of the old style ceiling rose terminals so I was hoping to move all the wires to a box in the attic attached to a joist and use WAGOs.

It'd be great if someone could just check the diagram I've drawn up to make sure I'm not doing something stupid since there's an extractor fan too. I've done my best to make it understandable.
 

Attachments

  • bathroom light.jpg
    bathroom light.jpg
    129.4 KB · Views: 235
Yes, it looks correct.

Just a suggestion:
I would wire the wall light to the pendant's Switched Live, so that it comes on with the pendant when switched on by its own switch - and goes off with the pendant when left on.
 
Great! thanks

We considered that but thought it would be nice to be able to just have the wall light on for indirect light during bath time or getting a drink of water at night, there's no reason other than preference to have it connected to the switched live I assume?
 

If you need to find a tradesperson to get your job done, please try our local search below, or if you are doing it yourself you can find suppliers local to you.

Select the supplier or trade you require, enter your location to begin your search.


Are you a trade or supplier? You can create your listing free at DIYnot Local

 
Back
Top