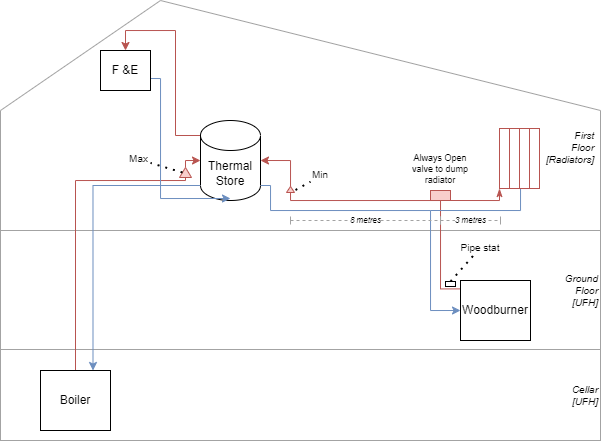
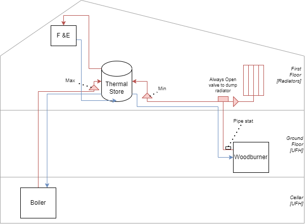
I'm looking for help with an open vented central heating system that is pumping over. We have a thermal store that has two heat sources - gas central heating, and a wood burner - both feeds are pumped with a Wilo Smart A 25/4-130 circulation (one pump per feed). When the wood burner kicks in (when water is 75 degrees), the water pumped into the thermal store is pumped over into the feed and expansion tank. We don't get the problem with the gas central heating feed.
The wood burner pump is set to the lowest control mode - the gas to the highest. I can't raise the F&E tank higher, nor the vent into the F&E tank.
The only option, I think, is to install a 'weaker' pump for the wood burner. The only reason this has a pump at all, is because there is quite a long, near horizontal feed into the thermal store, so there was a fear that gravity alone would be insufficient. So, my thoughts are that if I more gently pump the water into the store, then it is less likely to pump over (or this could expose my poor grasp of physics!).
So the questions are - do I have any other options - and if I change the pump, are there any recommendations? As you can tell from my explanation, I am not qualified in this area, but I have a vague grasp of the issue!
Thanks for any advice!
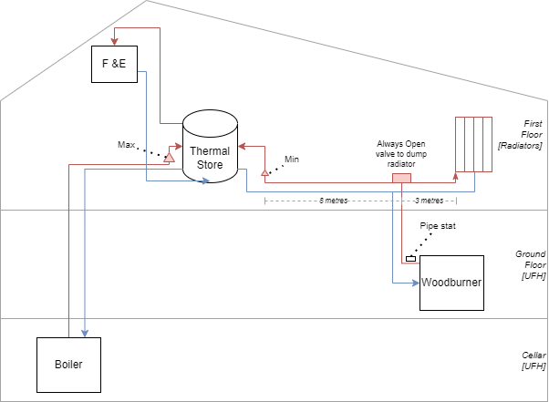
The wood burner pump is set to the lowest control mode - the gas to the highest. I can't raise the F&E tank higher, nor the vent into the F&E tank.
The only option, I think, is to install a 'weaker' pump for the wood burner. The only reason this has a pump at all, is because there is quite a long, near horizontal feed into the thermal store, so there was a fear that gravity alone would be insufficient. So, my thoughts are that if I more gently pump the water into the store, then it is less likely to pump over (or this could expose my poor grasp of physics!).
So the questions are - do I have any other options - and if I change the pump, are there any recommendations? As you can tell from my explanation, I am not qualified in this area, but I have a vague grasp of the issue!
Thanks for any advice!
