
I have just realized that there is a much simpler explanation for the pumping over when the system is running for CH only: it's the easiest path for the water to follow.Hi,
The boiler is a Mexico HE15 heat only - thus the output is 15kw.

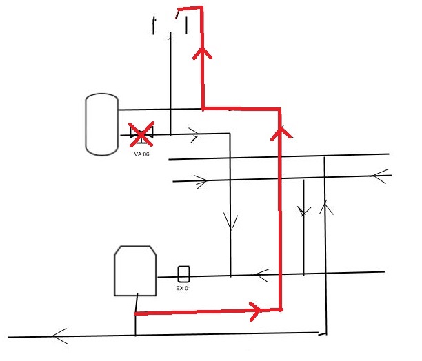
I have just realized that there is a much simpler explanation for the pumping over when the system is running for CH only: it's the easiest path for the water to follow.
When the Valve V01 is closed, there is an open path from the pump to the vent pipe, show in red on the diagram below. The pressure loss along this route will be much lower than round the rad circuit, so water will prefer to travel this way. Result - pumping over.
View attachment 110744

Your understanding is incorrect....S and Y plans were installed back in the 70's with myself being one of those installers..It's my understanding that the format indicated in my initial post was standard practice in the 80's and possibly into the 90's.
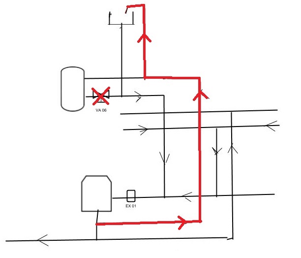
The feed and vent will still be on the wrong side of the pump.Cut and cap the cold feed where it enters the system , re-route cold feed and tee it into open vent within roof space.

The feed and vent will still be on the wrong side of the pump.
Please explain what that is meant to signify.

You wouldn't be asking had you received the correct training.Please explain what that is meant to signify.
If you need to find a tradesperson to get your job done, please try our local search below, or if you are doing it yourself you can find suppliers local to you.
Select the supplier or trade you require, enter your location to begin your search.
Are you a trade or supplier? You can create your listing free at DIYnot Local