Who said anything about "attacks"? I merely expressed surprise that you had chosen ('singled out') Andrew to be told what he undoubtedly already knew, when you could have chosen any number of other people whose need for reading (or inclination to read) before they did anything was almost certainly greater than Andrew's.
Kind Regards, John
You said you had decided to 'defend' Andrew, so that would lead most of us to think he was under attack from me. I have been through the thread, as I thought I must have missed something. After reading the posts listed below, I offfered advice to read up before using the testers.
I looked at my original post and there is nothing in there criticising Andrew. I merely advised him to read up on testing before he uses his new kit and I also recommended a book. Andrew may be able to decide for himself whether my advice is helpful or not.
This is a new one, as you are not challenging my advice, just the fact that I chose to post it to somebody who YOU believe doesn't need it.
I was not aware of a forum rule whichs states that we ( actually I think it's just me) have to check with you before we post.
FYI, if somebody has a similar problem some time down the line, they may not have Andrew's apparent background knowledge.
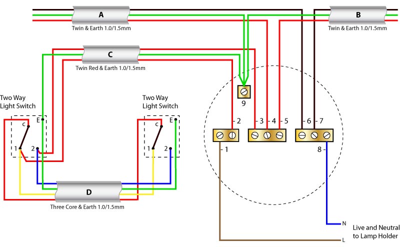
Moving forward, Is there a way for me to find the fault without tracing the wiring from cu all the way through the circuit? I am only armed with a multi-meter which is a pretty good one but I dont have proper electricians tools yet (still training)
Andrew
Thanks EFLImpudence. I have managed to find a Fluke Made robin 1620 Multi-Function Tester Plus 3010 & 4116 Testers all for £150 which does all the tests you said. It should be with me Saturday so I will have a new toy to play with
I am expecting my new toy to arrive on Saturday and am excited to learn how to use it and then will test everything.
