Hi guys,
Long story relatively short, my wife bought a tap that was meant to have three inputs - Hot, Cold softened, Cold hard.
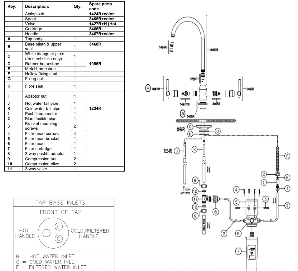
Instead, the tap has a filter input that it takes off the cold feed.
Off the cold feed it goes into a filter
The output off the filter is a thin, in diameter, flexible plastic pipe.
The connection for the thin flexible pipe to the tap is a bit odd.
- there is a Threaded Brass Pipe that is both the fixing for the tap to the worktop, and the pipe taking the filtered water
- a brass Adapter Nut (I) screws into the Threaded Brass Pipe, on the other end of the Adapter Nut a 12mm plastic Speedfit screws in
- the Speedfit then connects to the flexible thin diameter pipe.
What I am trying to do is take the Speedfit and filter out of the equation.
Instead,
- screw a 12mm flexipipe (a standard tap tail) into the Adapter Nut (I)
- the other end of flexipipe connects to the Cold Hard with a 1/2" connector.
I am concerned that the Adapter Nut is not designed to take mains pressure, as the filter and thin diameter flexible pipe would reduce this.
Is there anything I can do to make that adapter nut a better connection to withstand mains pressure? At present there is just a hard fibre washer between the brass Threaded Pipe and brass Adapter Nut.
Installation details: https://www.carron.com/wp-content/uploads/2019/02/Dante_Filter_Installation.pdf
Some photos may help...

Long story relatively short, my wife bought a tap that was meant to have three inputs - Hot, Cold softened, Cold hard.
Instead, the tap has a filter input that it takes off the cold feed.
Off the cold feed it goes into a filter
The output off the filter is a thin, in diameter, flexible plastic pipe.
The connection for the thin flexible pipe to the tap is a bit odd.
- there is a Threaded Brass Pipe that is both the fixing for the tap to the worktop, and the pipe taking the filtered water
- a brass Adapter Nut (I) screws into the Threaded Brass Pipe, on the other end of the Adapter Nut a 12mm plastic Speedfit screws in
- the Speedfit then connects to the flexible thin diameter pipe.
What I am trying to do is take the Speedfit and filter out of the equation.
Instead,
- screw a 12mm flexipipe (a standard tap tail) into the Adapter Nut (I)
- the other end of flexipipe connects to the Cold Hard with a 1/2" connector.
I am concerned that the Adapter Nut is not designed to take mains pressure, as the filter and thin diameter flexible pipe would reduce this.
Is there anything I can do to make that adapter nut a better connection to withstand mains pressure? At present there is just a hard fibre washer between the brass Threaded Pipe and brass Adapter Nut.
Installation details: https://www.carron.com/wp-content/uploads/2019/02/Dante_Filter_Installation.pdf
Some photos may help...

