Hi Folks,
We have a Worcester Bosch 37CDI combi boiler controlled by a Digistat 3+ controller.
We are looking to replace the controller with a Hive single channel unit.
But my Digistat controller only has 2 wires connected in the wall box, as per attached picture, red to 'C' and Yellow to 'ON' , nothing at all to the 3rd 'OFF' connection.
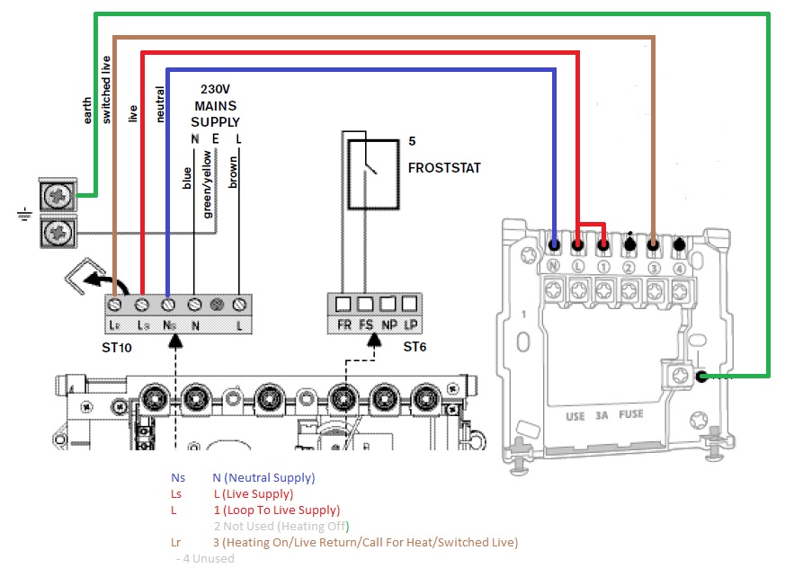
Looking at the Hive wiring (pic from another post) can i simply move:
Digistat Red (C) to Hive (N)
Digistat Yellow (ON) to Hive CH ON(3)
Many Thanks for your thoughts.
We have a Worcester Bosch 37CDI combi boiler controlled by a Digistat 3+ controller.
We are looking to replace the controller with a Hive single channel unit.
But my Digistat controller only has 2 wires connected in the wall box, as per attached picture, red to 'C' and Yellow to 'ON' , nothing at all to the 3rd 'OFF' connection.
Looking at the Hive wiring (pic from another post) can i simply move:
Digistat Red (C) to Hive (N)
Digistat Yellow (ON) to Hive CH ON(3)
Many Thanks for your thoughts.
