Something is still wired incorrectly, can you post a clear photo off the wiring connections at the wiring centre and at the programmer.The only thing I'm not sure of is with the programmer in between "ON" times if I turn the cylinder stat down from 65 to 45 and below the boiler fires up
What do you mean by this?3 port valve comes on
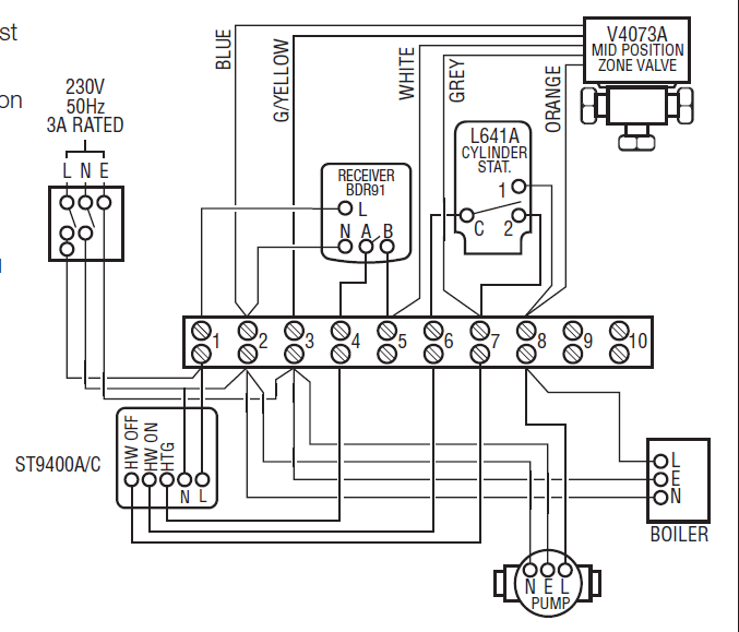
If you have wired it to the Honeywell standard Yplan wiring centre numbering, you have mixed up all the connections to the cylinder stat.I have rechecked the wiring an I had the make on rise and break on rise in 6 & 7 in junction box instead of 7 & 6 both wrong way round
Common on the cly stat is connected to terminal 6 along with HW on from the programmer.
Make on rise/satisfied/2 on the cly stat is connected to terminal 7 along with HW off from the programmer and the grey wire to the valve.
Break on rise/call for heat/1 on the cly stat is connected to terminal 8 along with the boiler call for heat, pump live, and orange wire to valve.
I wish I was there, I could have sorted it by now!!
