Timer on a Santon PremierPlus Unvented tank

Joined
17 Jul 2023
Messages
64
Reaction score
3
Country
United Kingdom
Hi

I have been unsuccessfully along with my electrician trying to add a timer to this unit for the thermostat.

When connected via a simple on/off switch it’s fine, but the minute I put any type of other switch in front of it, the switch goes bonkers as soon as the thermostat clicks on.

I have tried a Neostat hot water, a simple timer from Screwfix and a neoplug as a last resort.

Am I putting the timer in the wrong place, should it actually be at the pump/zone valve instead downstairs?

Any wisdom appreciated.

Thanks

Paul
 
I looked at the immersion heaters for the tanks and they seem reasonably standard, and the thermostat pockets also seem reasonably standard, but I know my immersion heater is supplied with DC, so thermostat has to be simple on/off bi-metal type, and any timer would need to be before my iBoost+ although with iBoost+ no real need for a timer.

I looked at your link, and it shows nothing but the entry page, and Neostat came up blank. I found this 1708127882657.png but it does not seem to be for immersion heaters but for under floor heating.

Some thing missing, maybe pictures will help.
 
Unless you have something different to what I know it is basically a domestic hot water cylinder and any controls would be just like any other (albeit dedicated devices to fit pockets and mountings), whether that's immersion heating, gas boiler, solar etc.
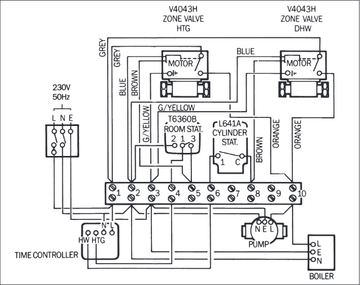
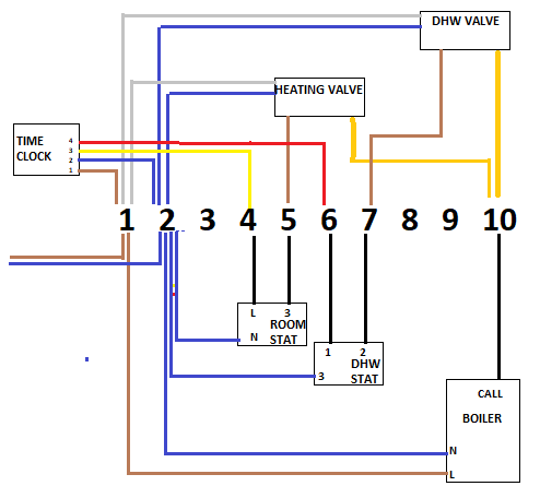
Excuse my notes from 2022 for a system with a couple of 2 port valves, I can interpret if required:
20240217_012905.jpg
Hopefully this is correct
1708138436819.png
Earths not shown
 
Last edited:
Thanks for the replies, so currently I just have a live/neutral/earth from the boiler stat, it goes to a simple on/off switch beside it so I can isolate it. When this is on, it completes the circuit to the zone valve and pump downstairs, but these don’t fire until the thermostat on the cylinder clicks on.

So I basically just want a simple on/off in place of the existing manual switch, but come up against the issue I mention.

I have 3 heatmiser switches, one for each floor, then this to control the hot water. Each has its own pump/zone valve. They don’t seem to be linked in any way as they can all work and fire the boiler independently.

Sorry I am not very well versed in this stuff, would need to get the electrician back, but would like an idea of what to look at.
 
I have in very large houses and hotels seen a system where a pump circulates the hot water so no delay at the taps, is that what you have? Standard central heating with S Plan S-Plan.jpg the same timer which works the central heating also selects DHW no reason they can't be two independent timers, but tradition has them in one programmer (fancy name for timer) but there are some rather complex systems, but these are normally associated with solid fuel, it takes time to allow a solid fuel fire to burn out, so the systems need to allow a reserve where the heat can be dumped. And also likely a back up, should one not want to light the fire so we get systems like this Torrent pipe example.PNG I have only come across this system once, in my brother-in-laws old house, the tanks are that heavy the floor needs to be rather strong, for safety in case of power cuts the tank needs to be where thermo syphon can work, I never looked at the electrical side, it is not a system that can cost effectively be retro fitted, so has to be installed as the building of the house.
3 heatmiser switches, one for each floor
This is the bit which is making me think you have some thing out of the ordinary. My house is also out of the ordinary with CH and DHW due to having a garage made into a granny flat, so this is only heated when we have visitors, so central heating both uses motorised valves, pumps, and programmable TRV heads. Normal is one or the other, not both as they in essence do the same thing.

I thought to start with only talking about DHW, but having it independently controlled for three floors does not seem normal. I know some CH systems do that, but unless like me with what is really a separate dwelling but using same CH boiler, it seems wrong to split into floors, as at the moment I am still using top floor, which has two bedrooms, an office and craft room. Down stairs we have living room, dinning room, and kitchen. So both floors used during the day, therefore using programmable TRV heads is far better as we can select room by room what is heated.

I can select DHW to be heater in summer by oil but with solar panels I use electric, but if I did not have solar panels I had to use time as no tank thermostat, but if I had one, the DHW would not be turned off except for holidays. 40 gallons takes a long time to cool so no point, only other reason for timer is to use off peak power.

Anyway enough of my house, what we need to know about is yours. I fail to understand with a modern well insulated tank why you want a timer? Something missing in telling us what you want it seems.
 
Thanks for the replies, so currently I just have a live/neutral/earth from the boiler stat
You have got a live, switched live and earth.
The thermostat connects live and switched live together when heat is requried. There is no neutral.

A mechanical switch inserted into either the live or the switched live will work.
However a timer requires permanent power via live and neutral which you haven't got.
 
I have in very large houses and hotels seen a system where a pump circulates the hot water so no delay at the taps, is that what you have? Standard central heating with S Plan View attachment 333273 the same timer which works the central heating also selects DHW no reason they can't be two independent timers, but tradition has them in one programmer (fancy name for timer) but there are some rather complex systems, but these are normally associated with solid fuel, it takes time to allow a solid fuel fire to burn out, so the systems need to allow a reserve where the heat can be dumped. And also likely a back up, should one not want to light the fire so we get systems like this View attachment 333274 I have only come across this system once, in my brother-in-laws old house, the tanks are that heavy the floor needs to be rather strong, for safety in case of power cuts the tank needs to be where thermo syphon can work, I never looked at the electrical side, it is not a system that can cost effectively be retro fitted, so has to be installed as the building of the house.

This is the bit which is making me think you have some thing out of the ordinary. My house is also out of the ordinary with CH and DHW due to having a garage made into a granny flat, so this is only heated when we have visitors, so central heating both uses motorised valves, pumps, and programmable TRV heads. Normal is one or the other, not both as they in essence do the same thing.

I thought to start with only talking about DHW, but having it independently controlled for three floors does not seem normal. I know some CH systems do that, but unless like me with what is really a separate dwelling but using same CH boiler, it seems wrong to split into floors, as at the moment I am still using top floor, which has two bedrooms, an office and craft room. Down stairs we have living room, dinning room, and kitchen. So both floors used during the day, therefore using programmable TRV heads is far better as we can select room by room what is heated.

I can select DHW to be heater in summer by oil but with solar panels I use electric, but if I did not have solar panels I had to use time as no tank thermostat, but if I had one, the DHW would not be turned off except for holidays. 40 gallons takes a long time to cool so no point, only other reason for timer is to use off peak power.

Anyway enough of my house, what we need to know about is yours. I fail to understand with a modern well insulated tank why you want a timer? Something missing in telling us what you want it seems.
Thanks. So I want a timer as currently the tank calls for heat every hour basically, even if no water is used. I am currently narrowing down why that may be (the tank doesn’t really seem to be losing any temp over several hours with some tests I have done, but must be enough to drop the thermostat 1 degree, which is what santon have told me it would call for heat again at). So while I get to the bottom of that, which I fear may take a while, I would like to fit a timer so I can at least stop the 18-20 unneeded boiler fires from cold which seems to be chugging gas! :)

The house seems to be well insulated, 20 years old. UFH on ground and 1st floor, rads in the attic which are basically never on. So I assume that’s why it’s a pump/zone valve per floor, no point water flowing to the downstairs manifold if only 1st floor needs heat?
 
An I missing something here? Your last post suggests that the boiler heats water every hour. Is this correct?

If that’s correct the controller must be set to continuous for water and not timed
 
You have got a live, switched live and earth.
The thermostat connects live and switched live together when heat is requried. There is no neutral.

A mechanical switch inserted into either the live or the switched live will work.
However a timer requires permanent power via live and neutral which you haven't got.
Thanks, so I do seem to have a permanent live and neutral coming from downstairs, the neutral is just connected straight to the tank, the live has a simple mechanical switch in between.

So when I connect the neostat hw or even a cheap timer, I have the live from downstairs coming in, neutral connected to the existing neutral from downstairs/one that goes to the tank. Then a link from live to common, and the live that goes to the tank on NO, that seems to be the switch that just goes bonkers when the stat hits temp and calls for heat/completes the circuit.

Could I grab the live off another permanent circuit, I have a Heatmiser UH8 beside this, so could nab a live and neutral from there for the neostat power, then connect in the live from downstairs to the common, then my stat to NO?

Thanks!
 
I have not used a hot water tank with pockets for the thermostat, my old system one just scrapped a bit of insulation off and clamped them on to the outside, the immersion heater used a pocket, but built into the immersion heater. The standard immersion heater thermostat 1708173541103.png has no way to set the slewing range of temperature, however the thermostat I use for beer brewing does it can be adjusted in the range of 1-30ºC however unlike the thermostat shown it does not have a safety cut out, and also needs mounting in something. The STC-1000 was the main thermostat used by home brewers and keepers of reptiles, the Inkbird 308 1708174141476.png has now taken over as all built in, but I still have a couple of these 1708174247792.pngthe big problem was to find a box to mount them in, careful about voltage, some at 12 volt powered, but at around £13 not expensive, cost me more for the box. My first attempt box was too small 1708174577181.jpeg I would hope there are easier ways to get a larger slewing range.

The traditional thermostat comes in different lengths, 1708173541103.png and I have a short one, which goes into the top of the hot water tank, I need a longer immersion and thermostat so it heats up more of the water, I think your tank it fits in the side, and my google showed a tank with multi pockets, it is possible to arrange one thermostat to turn on, and another to switch off, same idea as float controls, and likely a float relay would do the job. However again it is the safety aspect I am not sure about.

You can't be the only one to have this problem, and it seems unlikely we need to reinvent the wheel, so maybe a post in the plumbing section will get more results, it needs to be carefully worded saying what you problem is, and asking for ideas to correct it. Maybe a link to this thread so they can see what has already been said.

It may help others if once cured you say how it was cured.
 
so could nab a live and neutral from there for the neostat power, then connect in the live from downstairs to the common, then my stat to NO?
Only if that is connected to the same circuit as the hot water system.

Ultimately you are trying to connect the timer in the wrong place, it should be connected to the wiring centre with all of the other devices.
 
Only if that is connected to the same circuit as the hot water system.

Ultimately you are trying to connect the timer in the wrong place, it should be connected to the wiring centre with all of the other devices.
Ok great, thank you for this, least I know what the next step is!
 
Whoa.

I think we are all getting confused here. Talk of lives and neutrals from downstairs but no mention of where signals go.

What model of heatrae do you have, what thermostat(s) are fitted to it

Is it possible to post some pictures of what you have, specifically internal pics of the electrical parts fitted to it. If possible identifying what all the cables are. Do you have a wiring centre etc at the DHW cylinder?

The heatmisers (presumably to control the space temp of each floor) should be running independantly of the tank stat, in fact you shouldn't need to have a hot tank to warm the rooms.

If I'm honest I feel you are out of your depth, it's beginning to look like a significant system and I cannot willy nilly give advice on picking up a random live from somewhere and I feel that without strong additional information others shouldn't either.
I supplied a copy of my notes and created a pictorial which is virtually identical to that from Eric but that goes nowhere near multiple Heatmisers, UH8's and switches going bonkers.


An I missing something here? Your last post suggests that the boiler heats water every hour. Is this correct?

If that’s correct the controller must be set to continuous for water and not timed
This entire thread is about fitting a time switch of some type.
 
Last edited:
Whoa.

I think we are all getting confused here. Talk of lives and neutrals from downstairs but no mention of where signals go.

What model of heatrae do you have, what thermostat(s) are fitted to it

Is it possible to post some pictures of what you have, specifically internal pics of the electrical parts fitted to it. If possible identifying what all the cables are. Do you have a wiring centre etc at the DHW cylinder?

The heatmisers (presumably to control the space temp of each floor) should be running independantly of the tank stat, in fact you shouldn't need to have a hot tank to warm the rooms.

If I'm honest I feel you are out of your depth, it's beginning to look like a significant system and I cannot willy nilly give advice on picking up a random live from somewhere and I feel that without strong additional information others shouldn't either.
I supplied a copy of my notes and created a pictorial which is virtually identical to that from Eric but that goes nowhere near multiple Heatmisers, UH8's and switches going bonkers.



This entire thread is about fitting a time switch of some type.
Hi

The tank is a PP300B, the stat is built into it. There doesn’t appear to be any wiring centre for the tank itself, the cable goes downstairs, into a wiring centre for the whole system, where it links to the zone valve and pump. To be honest even getting involved in the wiring centre downstairs is not really an option. I thought it would be a simple case of replacing the on/off switch with a timer, seems it’s not :)

You are right it’s a beyond my skill set, I am however interested in what the solution may be, rather than actually implementing it. Just for clarity, I am aware the heatmisers bits have nothing to do with it, I (maybe not clearly enough) was just responding to some questions and stating they are all completely seperate.

Appreciate everyone’s input.

Thanks

Paul
 

If you need to find a tradesperson to get your job done, please try our local search below, or if you are doing it yourself you can find suppliers local to you.

Select the supplier or trade you require, enter your location to begin your search.


Are you a trade or supplier? You can create your listing free at DIYnot Local

 
Back
Top