Hi all.
I am trying to troubleshoot a client's door entry system whilst I decorate his hallway.
There is a break somewhere in the cable going to the handset at the top of the house. I removed the handset, took it downstairs and ran some cables directly from the outdoor face plate. The sound in and out works, the buzzer works but it will not release the door lock plate. There is another handset in the house. That doesn't release the lock plate either.
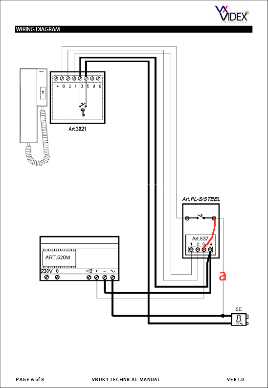
I cannot access the cables/connections under the floor that run back to the transformer and to the lock plate. Having looked at the wires in the exterior faceplate their seems to be a deviance from the recommended wiring.

Rather than running a cable from the lock plate to the faceplate button (see cable a) someone has run a cable from contact 3 to the button (see the red wire).
Is that likely to be preventing the lock plate function? If need be I can chase a cable from the lock plate to the face plate. The strange thing is that there is a cable running up to the lock plate which runs down under the floor, so I don't understand why the wiring in the faceplate is different.
Thanks
I am trying to troubleshoot a client's door entry system whilst I decorate his hallway.
There is a break somewhere in the cable going to the handset at the top of the house. I removed the handset, took it downstairs and ran some cables directly from the outdoor face plate. The sound in and out works, the buzzer works but it will not release the door lock plate. There is another handset in the house. That doesn't release the lock plate either.
I cannot access the cables/connections under the floor that run back to the transformer and to the lock plate. Having looked at the wires in the exterior faceplate their seems to be a deviance from the recommended wiring.

Rather than running a cable from the lock plate to the faceplate button (see cable a) someone has run a cable from contact 3 to the button (see the red wire).
Is that likely to be preventing the lock plate function? If need be I can chase a cable from the lock plate to the face plate. The strange thing is that there is a cable running up to the lock plate which runs down under the floor, so I don't understand why the wiring in the faceplate is different.
Thanks

