The regulation
BS 7671:2008 said:
514.4.2 Protective conductor
The bi-colour combination green-and-yellow shall be used exclusively for identification of a protective conductor and this combination shall not be used for any, other purpose.
Single-core cables that are coloured green-and-yellow throughout their length shall only be used as a protective conductor and shall not be over-marked at their terminations, except as permitted by Regulation 514.4.3.
In this combination one of the colours shall cover at least 30 % and at most 70 % of the surface being coloured, while the other colour shall cover the remainder of the surface.
A bare conductor or busbar used as a protective conductor shall be identified. where necessary, by equal green-and yellow stripes, each not less than 15 mm and not more than 100 mm wide, close together, either throughout the length of the conductor or in each compartment and unit and at each accessible position. If adhesive tape is used, it shall be bi-coloured.
The English has been questioned, I would say the full stop means it applies to all cables, but some seem to think if a multi-core you can over-mark. However I have pointed out not wired is a professional manor so you have to expect faults and anomalies where some one has not followed convention.
Even convention has a problem with central heating wiring, when the condensating, modulating boiler came out, there did not seem to be a revision in wiring, we no longer want to switch a boiler on/off to control output, we want it to gradually turn up or down, at least until it hits the lower limit, and the the boiler starts to cycle, but the conventional wiring seems to still be on/off.
We have even seen house's split into zones using the micro switches in the zones valves used to turn heating on/off, why installers don't use programmable thermostatic radiator valves (TRV) with programmable heads I don't know, at £10 each not expensive, but they don't, the installers seem to have got stuck in the past, this is what we have always done, we will continue how we have always done it attitude, which is not helped by lack of devices able to talk to boiler in an analogue manor.
The net result is people try to improve on the pre modulating boiler standard, but it is not a standard method of install, so next guy along is left scratching their head wondering what they have tried to do.
Even with non modulating boilers you get some odd ideas, when I moved into this house to put on the central heating in main house I had to walk outside down to the flat which was originally a garage under the house and plug in the pump, but turned boiler on/off with a time switch in main house, with no thermostatic control for main house other than TRV's only the flat had a thermostat and that was in kitchen. Both DHW and CH went on together, the time switch showed them separate but there were only two wires main house to flat, so no way it could have worked.
So I had to design a system that would work with only two wires, I used Nest as I could keep it powered and control both CH and DHW with two wires using extra low voltage. Not for any of the geofencing features but because it would work without fitting extra wires. And in the same way you will likely need to use battery powered thermostats because you only have two core and earth cable. And it will need some sort of as built plan to work out what does what.
I sat down with my house and worked it out

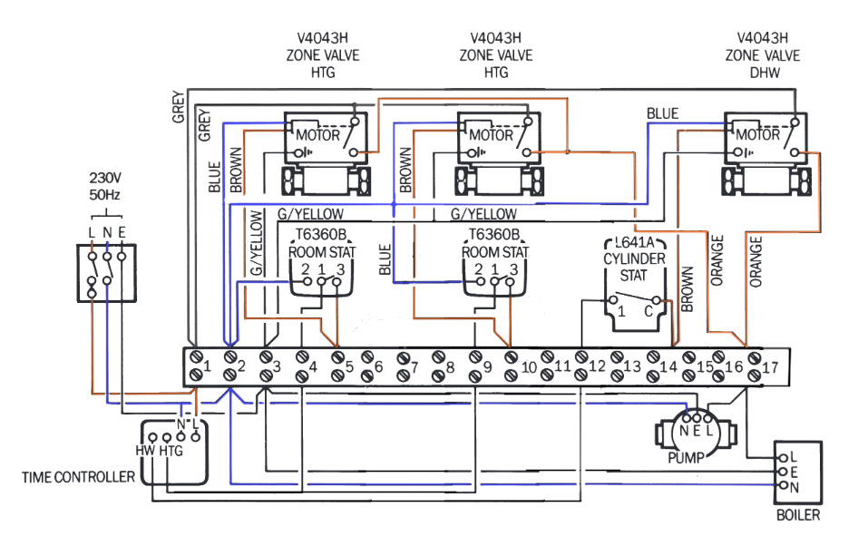
likely you will also need to work out some plan, this is a standard S Plan zone plan
clearly yours is more complex, be it a block diagram or wiring diagram you will need to work out what you have. Mine was made complex due to two pumps, but there is no way I would have sorted it without drawing at least some of it out and doing a lot of testing, getting some one in will likely be expensive, as it takes time to work out what some one else has done, which is why I drew a plan of mine, as when I am older I may not be able to DIY so need to tell some one else how it is wired.
Good luck.