Electrical help

Joined
26 Jun 2020
Messages
4
Reaction score
0
Country
United Kingdom
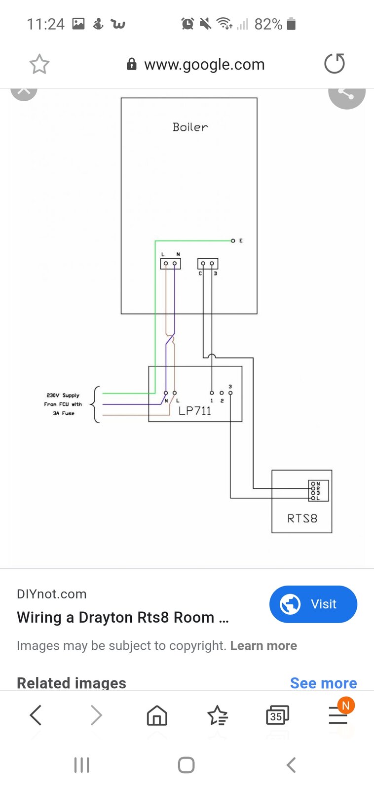
I have a drayton lp711 timer fitted but have no thermostate control, can I connect a RTS8 straight to the timer ?
 
What does the timer switch on and off? just the heating?

If so, you can connect via the timer. Do you know how to do this?
 
Yes its just the heating. Not sure yet I have a diagram below but its says connect straight from boiler. Help please.
 

Attachments

  • Screenshot_20200626-112440_Samsung Internet.jpg
    Screenshot_20200626-112440_Samsung Internet.jpg
    68.8 KB · Views: 262
Yes, but without the thermostat you must have this:

upload_2020-6-26_14-4-13.png


You need to split the blue wire somewhere - anywhere - and connect the thermostat.

Where are you going to put the thermostat.
 
So I need to cut the blue, do I then put it in to a junction box then into the thermostat.
The thermostat will probably go near to the timer.
 
Much depends on the boiler, you clearly can turn a boiler off with an on/off thermostat, but every time you switch on the boiler it will run flat out until the return water gets warm, and when it switches off any heat in the boiler is lost out of the flue, so having a thermostat to turn off the boiler in warm weather is good, but trying to control room temperature with a mark/space ratio is bad.

Some RTS8 thermostats have a neutral connection, there is a range it is not one thermostat, leaving the neutral disconnected will help with a modulating boiler to ensure the TRV sets room temperature, and the RTS8 stops boiler cycling in warm weather, but with oil fired or old gas boilers the thermostat sets room temperature so needs the neutral.

Many boilers today use a modulating thermostat connected to ebus, Opentherm is the common method, however most central heating systems are in some way a compromise, what you need to ensure is the new compromise is better than the old one, the TRV (thermostatic radiator valve) is a cleaver bit of kit, and often simply unscrewing the wax head and using an electronic programmable head is all you need. These range from £10 each to £80 each, I would look at the eQ-3 TRV head first and see if this will do what you want better.
 
So I need to cut the blue, do I then put it in to a junction box then into the thermostat.
The thermostat will probably go near to the timer.
Depends where it runs. It might not be blue in real life.
Just disconnect it and use a connector behind the timer.

upload_2020-6-26_15-8-22.png
 
Thermostat Instructions are here colours mean nothing, although blue could be neutral it is not always neutral.

With a modulating boiler the on/off thermostat should go in a ground floor room normally kept cool, with no alternative heating, and no door to outside, and no TRV on the radiator, positioned on opposite wall to radiator which should not be an outside wall. Most houses this does not exist, so fitted in hall with a TRV on radiator set carefully to work with it.

With a modulating boiler with modulating thermostat it should be in the main room, although if linked to TRV's it can go anywhere.

With non modulating boiler same as with modulating for on/off thermostat in the main except not in a room normally kept cool, it can go in main room.
 
Confused now. The boiler is a combi and the timer and therm will only do the heating.
 
Confused now. The boiler is a combi and the timer and therm will only do the heating.
That's OK, it will only affect heating, in the main we fit a thermostat to save money, all I am saying it will only save money if used correctly, in fact used in the wrong way it could cost money.

If not a condensating or modulating boiler it can only save money, only when the boiler is designed to gain the latent heat is there a potential problem. Combi only means it heats domestic hot water directly, it is if condensing or not that matters.
 

If you need to find a tradesperson to get your job done, please try our local search below, or if you are doing it yourself you can find suppliers local to you.

Select the supplier or trade you require, enter your location to begin your search.


Are you a trade or supplier? You can create your listing free at DIYnot Local

 
Back
Top