- Joined
- 5 May 2023
- Messages
- 5
- Reaction score
- 0
- Country

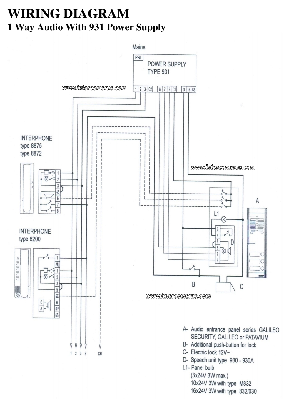
Hi Folks,
Just recently moved into a new flat and after a week had some visitors up, it seems though that my entry phone isn't unlocking downstairs, great for the legs but I'm top floor so not ideal!
Appears to be an Elvox 6200, I can hear the person on the other end and they can hear me (although there's a high pitch whine constantly coming from the handset)
Pressing the key lock button does nothing and I need to constantly nip downstairs to open the main door.
Can someone have a look at the attached and let me know if something seems off? Also took a pic of the outside button panel if it helps
Just recently moved into a new flat and after a week had some visitors up, it seems though that my entry phone isn't unlocking downstairs, great for the legs but I'm top floor so not ideal!
Appears to be an Elvox 6200, I can hear the person on the other end and they can hear me (although there's a high pitch whine constantly coming from the handset)
Pressing the key lock button does nothing and I need to constantly nip downstairs to open the main door.
Can someone have a look at the attached and let me know if something seems off? Also took a pic of the outside button panel if it helps