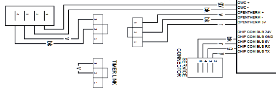
Hi, new here and i apologise if this has been asked a thousand times. Im looking to fit Hive to my current boiler which is a ideal logic combi 30 which is controlled remotely (no wires) by an ideal PRT3 programmer in the living room. I now want to fit Hive, my question is apart from the power do i just remove the link shown in the picture and replace it with the wires from the Hive?
