Hi guys
im having problems trying to wire my single channel hive receiver to the Grant vortex pro combi oil boiler.
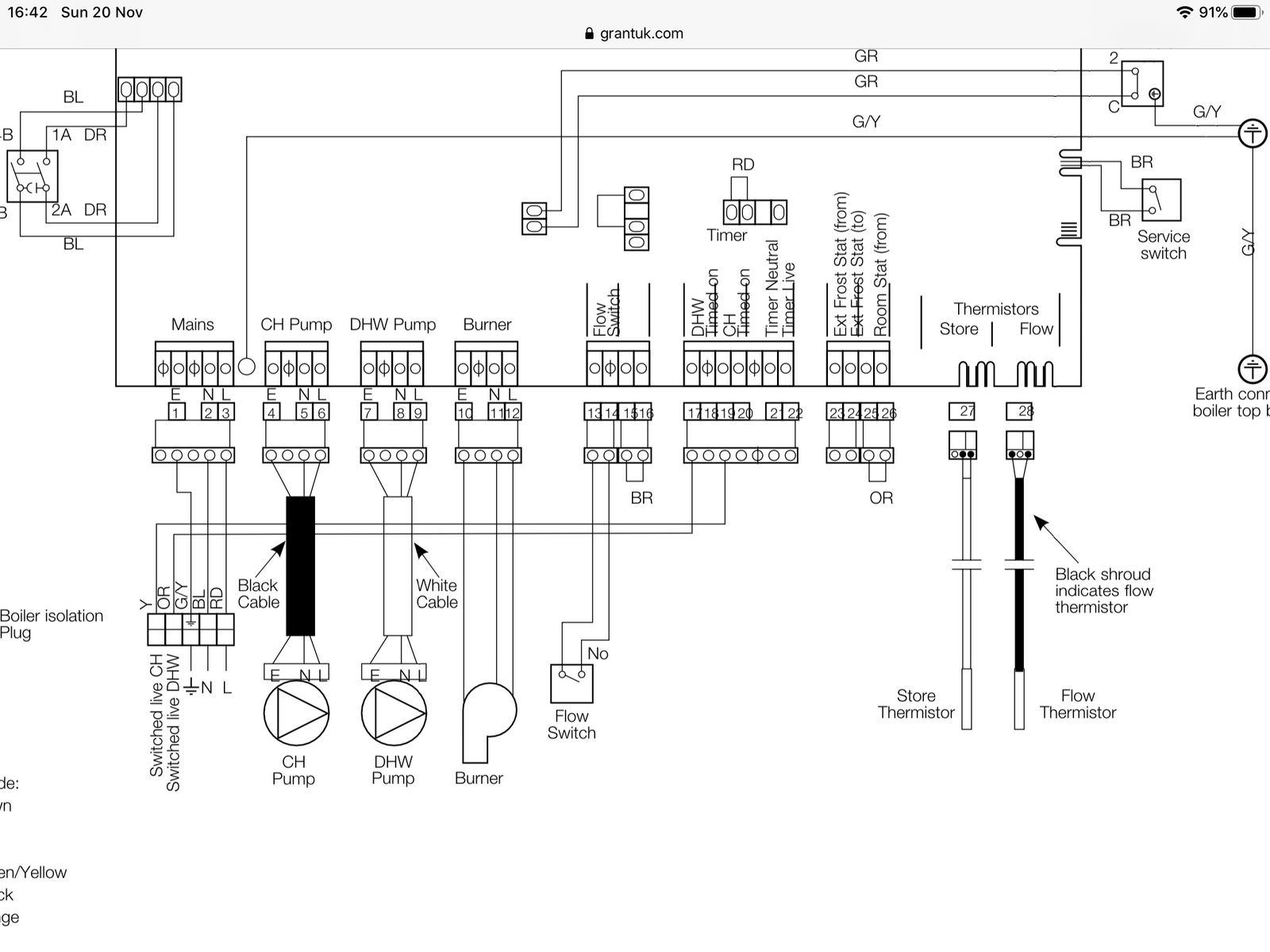
Power comes from the fused spur to the isolation plug on the boiler, I’ve then linked the line and neutral in the plug for power to the Hive receiver.
on the boiler I’ve taken the central HEATING ON to the receiver 3 ( also tried 4), and linked the Line to 1.
any help would be much appreciated ! Dave
im having problems trying to wire my single channel hive receiver to the Grant vortex pro combi oil boiler.
Power comes from the fused spur to the isolation plug on the boiler, I’ve then linked the line and neutral in the plug for power to the Hive receiver.
on the boiler I’ve taken the central HEATING ON to the receiver 3 ( also tried 4), and linked the Line to 1.
any help would be much appreciated ! Dave
