Just try to connect a Honeywell BDR 91 to replace a CM907 i

Joined
24 Mar 2013
Messages
17
Reaction score
0
Country
United Kingdom
hello need Help :cry:

Just try to connect a Honeywell BDR 91 to replace a CMT907A i have only 2 wires 1Live and 1 Neutral
did try this



nothing works, most often the light green led switch on and of directly.

Honeywell says "You haven’t wired the BDR91 correctly on your CM907 the wires were in A and B these have to go into A and B in the BDR91 plus you have to connect a Neutral to N and a Permanent Live to L so in total you will have 4 wires, you need a permanent live and neutral as well otherwise it will not be able to receive a signal from your handheld unit."

can some one please tell me how to connect?
 
I see you have put the existing A to L then linked to L to A in the BDR.

Is there 230vac on the brown ( or whatever you have) or volts free.

Then again you have wired it completely different in the last pic.
 

wired as the above will blow the fuse and possibly damage the controller
but i doubt it will as I suspect that is a live and and switch wire that you are trying to connect not a live and neutral


your controller req a neutral before it will work

Matt
 
Which make/model boiler do you have?
the 2 wires go to the circulator pump from the boiler ( Diesel /oïl) :| wilo Star-RS25/6 and it worked and work fine with the old CMT907A
GALLERY]





wired as the above will blow the fuse and possibly damage the controller
but i doubt it will as I suspect that is a live and and switch wire that you are trying to connect not a live and neutral

strange this is what Honeywell recomand , I just erase the boiler circulator pump . :lol:


your controller req a neutral before it will work

Matt

the blu is not the neutral one ??? :shock:
 
In order to the above

1 you mean it worked fine with the battery operated CM907?
2 Haven't looked but safe to say Honeywell do not recommend what you posted
3 No, as said the two cables are switch wires not a line and neutral
The brown may be at 230v or it may be extra low voltage depending on other things
 
In order to the above

1 you mean it worked fine with the battery operated CM907?

Yes
2 Haven't looked but safe to say Honeywell do not recommend what you posted
what this configuration?
of course this is what you see on the wall ( of course the Live 230V an the N neutral comes from the boiler) if this was question 2
3 No, as said the two cables are switch wires not a line and neutral
The brown may be at 230v or it may be extra low voltage depending on other things
strangly if you look at the picture of the Cmt907A it worked with this twoo wires...
 
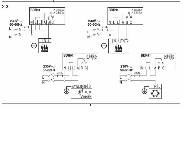
Just Googled BDR91 and Honeywell destructions show as below, So you do need the extra wires. You'll just have to apply the info to your situation as appropriate.

Alternatively www.honeywelluk.com/Documents/Full-Install/pdf/1069.pdf[/QUOTE]

if I Ask here about it its because it is already down with Honeywell uk who tels me to "You haven’t wired the BDR91 correctly on your CM907 the wires were in A and B these have to go into A and B in the BDR91 plus you have to connect a Neutral to N and a Permanent Live to L so in total you will have 4 wires, you need a permanent live and neutral as well otherwise it will not be able to receive a signal from your handheld unit." so i did this the red ones are lives. did try this to do not work to
:roll:
 
The replies posted are trying to assist you. If you don't understand that, and clearly know nothing about wiring programmers, then get a professional in.
You have been told several times that although the wire has blue insulation, it doesn't necessarily mean it is a neutral return on a circuit. That depends on what it's connected to, not it's sleeve colour.
And mains wireless receivers need their own permanent live feed.
 
You need to use the flex in A &B.
Add Live and neutral in L and N.

If this doesnt work, you've probably knackered the relay in the BDR by putting a short across it. Incidentally, the dividing partition between the mains volts and volt free contacts is not intended to crush the cabling. Either mount the BDR on a pattress box or cut out the partition, if it is 230v you are switching.

Simon
honeywell HIN installer
 
You need to use the flex in A &B.
Add Live and neutral in L and N.

If this doesnt work, you've probably knackered the relay in the BDR by putting a short across it. Incidentally, the dividing partition between the mains volts and volt free contacts is not intended to crush the cabling. Either mount the BDR on a pattress box or cut out the partition, if it is 230v you are switching.

Simon
honeywell HIN installer

Good luck with that Simon, I doubt he will listen mate :?
 
You need to use the flex in A &B.
Add Live and neutral in L and N.

If this doesnt work, you've probably knackered the relay in the BDR by putting a short across it. Incidentally, the dividing partition between the mains volts and volt free contacts is not intended to crush the cabling. Either mount the BDR on a pattress box or cut out the partition, if it is 230v you are switching.

Simon
honeywell HIN installer

Good luck with that Simon, I doubt he will listen mate :?

I left after the 1st post, probably fried the board by now.

We have an OP that doesn't know what he's doing and not listening. :wink:
 
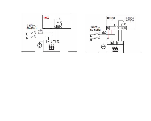
Hi, You are looking to go from a CM907 to a BDR91 so wiring changes as in picture below show what was required. The new wires are the red ones in my picture.
Your photos show red and blue wires and an exposed earth wire but do not identify what they are joined to, so it is impossible for anyone to say what is wrong with your wiring without knowing what is at the other end and what has been done.

The difficulty is that in your first post you showed a diagram for connecting the wires that would have been the same as connecting the live and neutral wires together, you really do not want to do that.
If you really did what your diagram showed, this would possibly have blown the fuse but may simply have damaged the relay contacts ( shown connected to A & B ) in the BDR91.
If you wired it this way It is possible that now your BDR91 is damaged and will not work. If also wired into the boiler it is possible that the boiler may also be damaged.

It appears probable that through your actions you may have damaged the new unit. Possibly also your boiler.
I would politely suggest you find someone who is suitably skilled in testing and connecting such devices.
 

If you need to find a tradesperson to get your job done, please try our local search below, or if you are doing it yourself you can find suppliers local to you.

Select the supplier or trade you require, enter your location to begin your search.


Are you a trade or supplier? You can create your listing free at DIYnot Local

 
Back
Top