- Joined
- 27 Jan 2008
- Messages
- 28,725
- Reaction score
- 3,508
- Location
- Llanfair Caereinion, Nr Welshpool
- Country

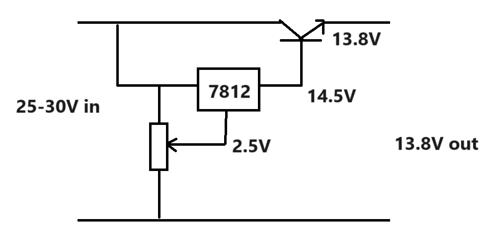
There were 2 amp versions of the 7812, they were the main way that CB power supplies regulated their output, around 1.2 volt across a red LED so put one between the 7812 common and real common, and you got 13.2 volt approx.
But as said it did not work, the extra 0.6 volt drop or so was simply too much.
As to checking the sg at regular intervals, it reminds me of a big bang, we had a container with batteries in, and a charger, two copper pipes as buss bars, with crock clips to add or remove batteries, we also had a 12 volt freezer which we kept the contraband bacon in, this was Algeria.
My colleague went to get the bacon, and he knocked a clip, causing a spark, I heard the batteries exploding like a machine gun, and as he walked out was ready with the hose pipe. I likely saved his sight. but hydrogen burns with a blue flame and a pop, and that was a very loud pop.
In our cool country we tend to forget how dangerous lead acid batteries can be. We would have normally warn googles, and turned off the charger before going in, but he only went for the bacon.
But as said it did not work, the extra 0.6 volt drop or so was simply too much.
As to checking the sg at regular intervals, it reminds me of a big bang, we had a container with batteries in, and a charger, two copper pipes as buss bars, with crock clips to add or remove batteries, we also had a 12 volt freezer which we kept the contraband bacon in, this was Algeria.
My colleague went to get the bacon, and he knocked a clip, causing a spark, I heard the batteries exploding like a machine gun, and as he walked out was ready with the hose pipe. I likely saved his sight. but hydrogen burns with a blue flame and a pop, and that was a very loud pop.
In our cool country we tend to forget how dangerous lead acid batteries can be. We would have normally warn googles, and turned off the charger before going in, but he only went for the bacon.