

With TRV's fitted there is little need for a wall thermostat, the idea is as the TRV closes it pushes more water through the valves still open until the by-pass valve opens, which results in hotter and hotter water returning to boiler which in turn modulates (turns down flame) to suit return water temperature until at minimum output at which point it start to cycle off/on slowly increasing the off time (called anti cycle software) but it can never turn off boiler completely as once that is done, it has no way to know when to turn on again.We don’t have a room stat.
OK remove the programmer and central heating should not work even with FCU switched on. Is that the case or not?
Well, it shouldn’t, so must be getting a switched live feed from the fcuI removed the programmer and the CH still works using the FSU

I agree it shouldn't but seems far more likely line feed is from the motorised valve.Well, it shouldn’t, so must be getting a switched live feed from the fcu
can easy stick in, so next question is when you switch on/off at the programmer does the motorised valve move? Often you can feel if the valve has opened using the bleeding lever and feel the resistance on the lever.I agree it shouldn't but seems far more likely line feed is from the motorised valve.
You can't easy change the micro switch, need to change whole head, but common fault for switch to stick in.
With TRV's fitted there is little need for a wall thermostat, the idea is as the TRV closes it pushes more water through the valves still open until the by-pass valve opens, which results in hotter and hotter water returning to boiler which in turn modulates (turns down flame) to suit return water temperature until at minimum output at which point it start to cycle off/on slowly increasing the off time (called anti cycle software) but it can never turn off boiler completely as once that is done, it has no way to know when to turn on again.

This leads me to look at the wiring centre, i.e some thing where a mistake could easy be made.Correct. Motorised Valve and programmer both new.
I am considering two faults, either the brown to motorised valve has been put in wrong hole in the wiring centre, or the motorised valve has change over contactsso next question is when you switch on/off at the programmer does the motorised valve move? Often you can feel if the valve has opened using the bleeding lever and feel the resistance on the lever.
and white and grey mixed up.Today when the central heating is often the sole form of heating, and we have got use to leaving it do its own thing yes, but a modulating boiler with anti hysteresis software does not fire up for long, even my oil fired boiler with DHW with thermo syphon only runs for 20 minutes when central heating water is not circulating, so looking at a 5 - 10 minute burst every hour or so, and at minimum setting so 6 kW typical, clearly even 1 kWh a time is more than we want to waste, but unlikely a user would not turn off the system on a warm day.I would suggest you are wrong there Eric, on the need for a room stat of some sort to inhibit the heating system when the ambient means there is no demand.
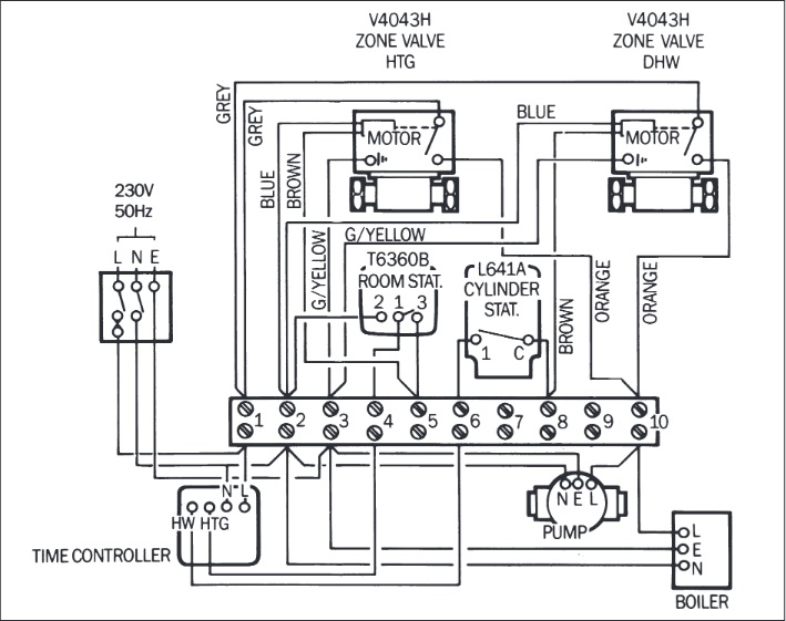
post a pic of the motorised valve you mention, I think you have 2 not 1, your wiring pic isnt very clear but looks like an S PLAN so you will have 2 x motorised valvesCorrect. Motorised Valve and programmer both new.
post a pic of the motorised valve you mention, I think you have 2 not 1, your wiring pic isnt very clear but looks like an S PLAN so you will have 2 x motorised valves
This might be why it’s working the way it is. Can you post a photo of motorised valve and inside wiring center?The original installation had 2, but this was changed some time ago so now only 1.
This might be why it’s working the way it is. Can you post a photo of motorised valve and inside wiring center?
If you need to find a tradesperson to get your job done, please try our local search below, or if you are doing it yourself you can find suppliers local to you.
Select the supplier or trade you require, enter your location to begin your search.
Are you a trade or supplier? You can create your listing free at DIYnot Local